变压器的电压比(简称变比),是变压器空载时高压绕组电压U1与低压绕组电压U2的比值,即变比k=U1/U2。变压器的变比试验是验证变压器能否达到规定的电压变换效果,变比是否符合变压器技术或铭牌所规定的数值的一项试验。其目的是检查各绕组的匝数、引线装配、分接开关指示位置是否符合要求;提供变压器能否与其他变压器并列运行的依据。变比相差1%的中小型变压器并列运行,会在变压器绕组内产生10%额定电流的循 环电流,使变压器损耗大大增加,对变压器运行不利。
《规程》中规定了变压绕组所有分接头变比试验的标准:
(1)各相应分接头的变比与名牌值相比,不应有显著差别,且应符合规律。
(2)电压35kV以下,变比小于3的变压器,其变比允许偏差为±1%;其他所有额定分接头变比允许偏差为±0.5%,其他分接头的变比应在变压器阻抗电压百分值的1/10以内,但不得超过±1%。允许偏差计算公式为:
Δk=(k-kN)/kN×100%
式中 Δk——变比允许偏差或变比误差;
k——实测变比;
kN——额定变比,即变压器铭牌上各次绕组额定电压的比值。
变压器变比的测量应在各相所有分接位置进行,对于有载调压变压器,应用电动装置调节分接头的位置。对于三绕组变压器,只需测量两对绕组的变比,一般测量某一带分接开关绕组对其他;两侧绕组之间的变比,对于分接开关的绕组,应测量所有分接头位置时的变比。
测量变比的常用方法有双电压表法、变比电桥法及使用专用的ZC-203B变比测试仪测量。
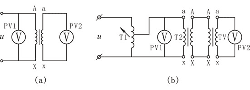
双电压表法的原理图如图1-1所示

它是一种比较简单的变比试验方法,所需的试验设备都是一些常用的测量仪器。
在变压器一侧加电源(一般为高压侧),用电压表(必要时通过电压比互感器)测量两侧电压,两侧的电压读数相除即得变比。对于单相变压器,可以直接用单相电源双电压法测出变比。对于三相变压器,采用三相电源测量时,要求三相电源平衡、稳定(不平衡不应超过2%),可以直接测出各变比。变比的计算公式为
kAB=UAB/Uab
kBC=UBC/Ubc
kAC=UAC/Uac
式中 UAB、UBC、UAC——变压器高压绕组线间电压,kV;
Uab、Ubc、Uac——低压绕组线间电压,kV;
kAB、kBC、kAC——绕组线间变比。
若现场无平衡、稳定的三相电源时,也可用单相电源测量三相变压器的变比。
根据变压器的不同连接组别,将单相电源通过单相调压器接到变压器的低压侧,或者将变压器低压绕组直接接在比本身额定电压低的单相电源上,高压绕组的电压可以根据电压大小直接用电压表或通过电压互感器测量,其测量公式如表1-1所示。
| 变压器接线组别 | 相别 | 加压端子 | 短路端子 | 测量电压 | 变比计算公式 | |
| 高压侧 | 低压侧 | |||||
|
Yy
Dd |
A | ab | UAB | Uab | kA=UAB/Uab | |
| B | bc | UBC | Ubc | kB=UBC/Ubc | ||
| C | ac | UAC | Uac | kC=UAC/Uac | ||
|
YNd 例如YNd11 |
A | ab | UA0 | Uac | kA=√3(UA0/Uac) | |
| B | bc | UB0 | Uab | kB=√3(UB0/Uab) | ||
| C | ac | UC0 | Ubc | kC=√3(UC0/Ubc) | ||
|
Dy 例如Dyn11 |
A | ab | UAB | Ua0 | kA=UAB/(√3Ua0) | |
| B | bc | UBC | Ub0 | kB=UBC/(√3Ub0) | ||
| C | ac | UAC | Uc0 | kC=UAC/(√3Uc0) | ||
|
Yd 例如Yd11 |
A | ab | bc | UAB | Uab | kA=(√3UAB)/2Uab |
| B | bc | ac | UBC | Ubc | kB=(√3UBC)/2Ubc | |
| C | ac | ab | UAC | Uac | kC=(√3UAC)/2Uac | |
|
Dy 例如Dy11 |
A | ab | AC | UAB | Uab | kA=2UAB/(√3Uab) |
| B | bc | AB | UBC | Ubc | kB=2UBC/(√3Ubc) | |
| C | ac | BC | UAC | Uac | kC=2UAC/(√3Uac) | |
双电压表法虽然原理简单,测量容易,但存在诸如需要精密仪器(0.2级、0.1级的电压表,电压互感器)、误差较大、试验电压较高、不安全等不足。因而,许多运行部门和生产制造部门已经开始广泛采用变比电桥法进行变比试验。
目前,QT-35型和QT-80型变比电桥在现场得到了广泛的应用,他们具有准确度高、灵敏度高、试验电压低、安全、变比误差可以直接读取、可同时测量变压器组别等优点。
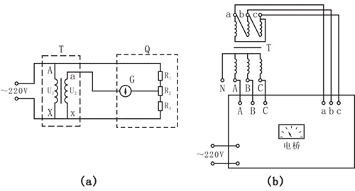
QT-35型变比电桥的测量范围为1.02~1.11,误差范围为-2%~2%,准确度等级为0.1级其原理及试验接线图如图1-2所示。

测量时,在被试变压器的一次侧加一低电压U1,则在变压器二次侧有电压U2,调整R3的电阻值,可以使检流计为零,这时百变比k可按下试计算(R3远小于R2、R1,忽略R3):
k=U1/U2=(R1﹢R2)/R2=1﹢R1/R2
为了直接读出变比误差值,可在R1和R2之间串入一滑线电阻R3,并使检流计的一端在滑动点上。对应滑线电阻R3的不同电阻值在电桥板上标以不同的变比误差,可以达到直接测量变比误差的目的。
用变比电桥法测量三相变压器的变比与双电压表法一样,也是采用单相电源,在电桥内部装设了切换电路,对不同的接线组别,按不同的测量方式(加压、短路、测量)进行测量。因此用变比电桥法进行变比试验时,必须按照使用说明书正确接线,正确操作。
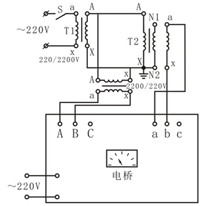
为了测量大变比的变压器,可以借助一些标准电压互感器(0.1级、2200、220V),测量接线图如图1-3所示。这时测得的变比将是实际变比的1/10,即变比kr=10km(式km为变比电桥实测法;kr为实际变比)。

按图1-3接线方法正确实际测量时,应认真参照QJ-35型、QJ-80型电桥使用说明书,必须将电桥法的电源输出开关(即电桥电源通向一次绕组的开关S)断开,而电桥本身放大器电源仍正常使用。
现场发现,变比不合格主要是因为由分接开关引线焊错、分接开关的指示位置与内部引线位置不符、绕组匝间或层间短路等原因造成的。
根据IEC及国家有关标准规定,在电力变压器生产、用户交接和检修试验过程中,变压器变比试验是必做的项目。这样可有效监督变压器产品出厂及使用过程中的质量,防止变压器匝间短路、开路、连接错误、调压开关内部故障或接触故障。
ZC-203B全自动变比测试仪是武汉致卓测控于2009年最新推出第二代专业变比测试仪,可用于电力系统的三相变压器测试,特别适合于Z型绕组变压器、整流变压器和平衡变压器测试。仪器采用了大屏幕液晶显示,全中文菜单及汉字打印输出,人机界面友好,功能完善,操作方便,是电力系统、变压器生产厂家和铁路电气系统进行变压器变比、组别、极性、以及角度测试的理想仪器。
技术指标:
| 规格型号 | ZC-203B | |
| 测试用途 | 变压器变比、组别、极性、以及角度测量。 | |
| 工作电源 | 输入电压 | 185Vac~250Vac |
| 允许输入电压 | 85Vac~264Vac | |
| 频 率 | 50/60Hz | |
| 允许频率 | 45Hz~65Hz | |
| 输入功率 | 40VA | |
| 接 头 | 标准交流插口60320 | |
| 输出范围 | 20V档位 | 电压0~20V;电流0~10A |
| 50V档位 | 电压0~50V;电流0~5A | |
| 测量范围 | 变比测试范围 | 0.5~10000 |
| 组别测试范围 | 1~12 | |
| 角差测试范围 | 0°~360° | |
| 测试精度 | 变比测试精度 |
±0.1%(0.5~1000) ±0.2%(1001~2000) ±0.3%(2001~4000) ±0.5%(4001~10000) |
| 角差测试精度 | 0.5%±0.1° | |
| 环境条件 | 运行温度 | -10℃~+50℃ |
| 存储温度 | -25℃~+70℃ | |
| 湿 度 | 相对湿度:5%~95%,不结露 | |
| 物理特性 | 尺 寸 | 360×220×150mm3 |
| 重 量 | ≈5kg(不包括附件) | |