发电机定子铁芯损耗试验,是检查定子铁芯绝缘情况的有效方法。在《预规》中要求在重新组装或更换、修理硅钢片后或有必要时应进行此项试验,所谓必要时是指发电机定子绕组故障,定子铁芯受到损坏或运行中发现定子有局部高温以及在大修检查中怀疑铁芯绝缘有短路等必要情况。
《预规》还规定,采用50Hz工频电源,在磁密为1T下持续试验时间为90min,在磁密1.4T下持续时间为45min。在1T下齿的最高温升不大于25K,齿的最大温差不大于15K,单位损耗不大于13倍参考值,在1.4T下自行规定。
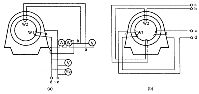
1.试验接线。接线图如图1-1所示,所用仪表不低于0.5级。用一台红外热像仪测量温度。
2.励磁线圈和测量线圈的计算。励磁线圈按式(1-7)计算匝数
Wl=45U1/SB (1-7)
式中 B一一铁芯轭部磁密,一般取IT或1.4T;
U1一一励磁线圈电压;
S一一定子铁芯轭部截面,cm2;
S=ιh
ι=k(ι1-nι2)
h=(D1-D2)/2-h1
式中 ι一一定子铁芯轴向净长,cm;
k一一0.93;
ι1一一定子铁芯总长,cm;
ι2一一定子铁芯通风沟宽度,cm;
n一一通风沟数;
h一一定子铁芯齿背高度,cm;
D1一一定子铁苍有效外径,cm;
D2一一定子铁芯有效内径,cm;
h1一一定子铁芯齿高,cm。
励磁电流按式(1-6)计算
I=(πDaγ•H0)/ω (1-8)
Daγ=D1-h
式中 Daγ一一定子铁芯轭部中间对应的铁芯直径,cm;
H0一一磁场强度(一般可取2.15~2.3),A/cm。
电源容量按式(1-9)计算
S=UI (1-9)
励磁绕组导线截面按3A/mm2选择。
测量线圈应单独设置,其匝数W2可按式(1-10)计算
W2≤U2/U2•W1 (1-10)
式中 U2一一测量绕组电压,V;
U1一一加在励磁线圈上的电压,V。
3.试验步骤。
(1)用50mm2导线将定子绕组三相短路接地,如定子绕组有接地点则只需短路,不可接地。
(2)如图l-1所示接好试验电路,使励磁和测量线圈互相垂直。

(3)准备20多支酒精温度计,在齿部按圆周和轴向分散放10多支,轭部放2支,并测取铁芯初始温度和室温。有条件时,可用红外热像仪测温和进行记录。
(4)接通电源,读取表计指示值后迅速断开电源,按式(1-11)计算实际磁密B'
B'=U2/4.44ƒ≤N2×104 (1-11)
实际磁密B'应和选定的值相符合,若相差很大,则应适当调整匝数。
(5)荐接通电源,lOmin后,用红外热像仪进行发热状况,如发现有明显过高,冒烟或发红现象,应停止试验,并做记录。每隔10min读取一次表计值或红外线测温值。连续90min后断开电源,结束试验。
(6)注意事项。
a.励磁和测量线圈导线应绝缘良好,不触及铁芯(不能用金属外皮导线或铠装电缆)。
b.防止金属物落在发电机内。
c.应采取措施防止通风影响温度。
d.若发现局部过热点,温差又不明显,可将磁密提高到1.2~1.4T,或适当提高试验电压。
(7)测量数据计算公式。
a.铁芯轭部实际磁密
B'=U2/4.44ƒSW2=45U2/SW2 (1-12)
b.单位铁损
△PFe2=P2Fe2 B2T/M•(B')2 (W/kg) (1-13)
铁轭质量M=πDaγS×7.8×10-3=24.5DaγS×10-3 (kg) (1-14)
c.最高齿温差的换算
△t=(t1-t2)(BT/B)2 (K) (1-15)
式中 t1一一最高齿温,℃;
t2一一最低齿温,℃。
d.齿最高温升换算
△t'=(t1-t0)(BT/B)2 (K) (1-16)
实例1-1 定子铁芯齿损伤一一做铁芯试验检查
某电厂一台发电机,QFSS-300-2型(300MW;双水内冷。)在停机检查时,发现定子汽侧铁芯齿表面有若干被硬物打成的大小不一的凹坑,硅钢片齿表面被打变形,例向通风沟。为此,决定做定子铁芯试验。
试验接线采用了如图1-1(b)所示的接线,电源用两台1250kVA变压器,磁密按1T考虑,巩取0.5A/cm。试验结果如下:①磁密实际值为1.0209T;②最高齿温升(换算至1T)为25K;③最高齿温差(换算至1T)为25K;④试验持续时间为90min。可见,齿的最大温差已超标(15K),对热点处理后,再次试验结果如下:①磁密实际值为1.0209T。②最高齿温升(换算至1T)为17K。③最高齿温差(换算至1T)为13K。④试验持续时间为90min。由此结果可知,处理后缺陷已消除。