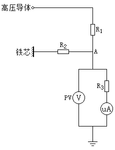
由于国产的100MW、200MW和300MW水氢氢冷却方式的汽轮发电机多次发生定子绕组端部手包绝缘因质量不佳而引起绝缘击穿和短路事故,而直流耐压试验又难以发现缺陷,故在《预规》中增加了此测试项目。其测试的原理是:通过试验时所测的某处绝缘表面对地电压的高低和泄漏电流的大小来判断该部位的绝缘状况。当该处的绝缘有缺陷时,使绝缘的体积电阻R1减小(正常时比表面电阻要大得多),R1上的电压降减小,该部位(图1-1中A点)的对地电压便升高,流过微安表的泄漏电流也就增大。

1、制作绝缘测杆,杆内有多个串接电阻,总值为100MΩ,每个电阻功率为1~2W,测杆应有一定的安全长度。且使用前应进行耐压试验。
2、对水质要求及试验接线同定子绕组直流耐压试验。
3、试验前应对端部绝缘表面进行清扫,测量部位应包一层锡(铝)箔纸或导电布,加压前应先测量该部位的绝电阻(R1、R2值)测R1时,定子绕组接到绝缘电阻测试仪接地端,包锡箔纸处接绝缘电阻测试仪出线端,测R2时,包锡箔纸处接表的出线端,铁芯接表的接地端,定子绕组不接地。
4、若试验设备容量足够,可对三相绕组一起加压,直流试验电压为额定电压UN;该方法测试部位的电压较低(多为几百伏),比较安全,测量准确度较高。但要求试验设备容量较大。这种方法称为“正加压”法。也可用“反加压”法,即在锡箔纸上加压,三相绕组在出线端首尾相连并短接,经微安表并串人100MΩ电阻后接地,测泄漏电流和电压值,一般在不通水情况下进行。该方法特点是试验设备容量小(一般用60kV直流高压发生器即可)比较简单。但由于在绝缘杆上直接加高压,对人员和设备危险较大,应特别小心,对于未通水的可用此法。
5、采用“正加压”法测量时,必须执行高压带电作业的安全措施,绝缘测杆内的100MΩ电阻一端串接微安表(100~150μA量程),另一端与金属探针相连,金属探针同时并接静电电压表(电压表接地)。
6、采用“正加压”法测量时,定子绕组加直流电压后,移动测杆记录各部位指示值。
1、实例1-1 端部接头和过渡引线并联块
某电厂200MW发电机对定子绕组端部手包绝缘施加直流试验时,发现B相头、尾两个过渡并联块和A相尾过渡引线并联块电压蚜超过规程要求,励侧49号槽鼻部的引水管锥体绝缘处电压也超标。介体检查发现绝缘填充不实。
2、实例1-2 鼻端绝缘盒外侧的手包绝缘和内侧与线圈主绝缘搭接处
某电厂200MW发电机,在预试中发现50处(共102个绝缘盒)泄漏电流超标,介体检查发现环氧泥与手包绝缘固化不良,更换绝缘材料处理后,泄漏电流均在5μA以下。
3、实例1-3 过渡引线手包绝缘处
某电厂200MW发电机在加固处理中,测试发现有2根过渡引线在靠鼻端的手包绝缘处泄漏电流达30μA以上,扒开检查发现,除最外边几层云母带有固化外,里边的绝缘材料几乎没有固化,原因是制造厂用环氧粉云母带与环氧树脂及固化剂一次性包扎24层,太厚,影响固化效果。处理时分2次包扎,第一次包扎后固化24小时,再进行第二次包扎,在最外层用浸树脂的无碱玻璃丝带半叠绕包2层以防油,再固化24小时。处理后泄漏电流均小于5μA。
4、实例1-4 靠套管的手包绝缘处
某电厂200MW发电机测试发现套管箱内共6处泄漏电流达30μA以上,最大到150μA。扒开绝缘发现手包绝缘已进油并有电晕放电所形成的碳黑。
5、实例1-5 引线套管手包绝缘
某电厂(100MW)及某电厂(100MW)测试发现分别右5处(共12个引线套管)泄漏电流超标和7处泄漏电流超标;最大到100μA。检查发现都是手包绝缘固化不良所致,处理后均下降到小于4μA。