输电线路阻抗的测量分正序阻抗和零序阻抗两种来测量。
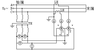
如图1-1所示将线路末端三相短路,在始端加三相工频电压,测量各相的电流、三相的线电压和三相总功率。按测得的电压、电流取三个数的算术平均值;功率取功率表1及2的代数和(用低功率因素功率表),并按下式计算线路每相每公里的正序参数。
正序阻抗 Z=[Uav/(√3)Iav]×[1/L] (欧/公里) (10-7)
正序电阻 R=[P/3Iav2]×[1/L] (欧/公里) (10-8)
正序电抗 X=√(Z12-R12) (欧/公里) (10-9)
正序电感 L=X1/2πƒ (亨/公里) (10-10)
式中 P ──三相总功率,即 P = P1 + P2 (瓦);
Uav──三相线电压平均值(伏);
Iav ──三相电流平均值(安);
L ──线路长度(公里);
ƒ ──测量电源的频率(赫)。
在图1-1中,试验电源电压应按线路长度和试验设备来选择,对100公里及以下线路可用380伏,100公里以上线路最好用1千伏以上电压测量,以免由于电流过小引起较大的测量误差。

测量零序阻抗接线如图1-2所示,测量时将末端三相短路接地,在始端施加单相交流电压。根据测得的电流、电压及功率,按下式计算出每相每公里的零序参数。
零序阻抗 Z0=[3U/I]×[1/L] (欧/公里) (10-11)
零序电阻 R0=[3P/I2]×[1/L] (欧/公里) (10-12)
零序电抗 X0=√(Z02-R02) (欧/公里) (10-13)
零序电感 L0=X0/2πƒ (亨/公里) (10-14)
式中 P ──所测功率(瓦);
U、I ──试验电压(伏)和电流(安);
L ──线路长度(公里);
ƒ ──试验电源的频率(赫)。
