电气设备绝缘不良一般分两种情况,一种是普遍性劣化,是由于电气设备长期运行,受高温、电场、震动等因素的作用,使绝缘逐步老化;另一种是局部性缺陷,其劣化速度发展一般比较快,有很大的危险性。绝缘电阻和吸收比测定、直流耐压及泄漏电流试验,虽然能够发现电气设备的许多缺陷,但由于试验电压一般低于被试设备的实际工作电压,难以检测出所有的绝缘缺陷。而交流耐压试验的试验电压数倍于被试设备的实际工作电压,因而能够检测出其他试验方法不能发现的绝缘缺陷,所以交流耐压试验是鉴定电气设备绝缘强度最有效和最直接的方法,是保证电气设备绝缘水平,避免电气设备事故的重要手段,对判断电气设备能否运行具有决定性意义。
交流耐压试验的试验电压远高于被试设备的实际运行电压,是采用比电气设备运行状态更高的条件来检验绝缘水平,对于不良绝缘来说是一种破坏性试验,因此在进行交流耐压试验前,应对被试设备先进行绝缘电阻和吸收比、直流耐压和泄漏电流以及介质损失角等项目的试验,来初步鉴定被试设备的绝缘状况,如发现被试设备存在绝缘不良的问题,则应先进行检查处理,再做交流耐压试验,以免造成不应有的绝缘击穿而延长检修时间,对生产造成影响。
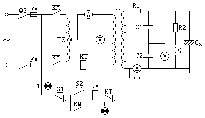
交流耐压试验设备,应按被试设备的电压、容量等要求来选择,通常交流耐压试验设备为ZC-501A试验变压器,常用的接线方式如图1-5所示。

图1-5 交流耐压试验接线图
图中KI为过电流继电器,试验过程中如被试设备绝缘击穿,则过电流继电器应动作,切断试验电源,避免损坏试验设备;Q为球间隙,用于防止过电压,试验时一般调整为1.1~1.15倍的试验电压;R1为限流电阻,防止由于绝缘击穿、放电时引起的大电流损坏高压试验变压器;R2为阻尼电阻,防止由于球间隙放电引起的电压振荡。
交流耐压试验,应在其他各项绝缘试验合格后进行,防止不必要的损坏设备。通电前应做全面的检查,高压部分应保持足够的安全距离,高压引线应有足够的机械强度,所有支撑或牵引高压引线的绝缘物应有足够的绝缘和机械强度,被试设备应妥善接地。正式试验前,应在不接被试设备的情况下,对试验设备通电、升压,检查试验设备和接线是否正确、完好,调整保护球间隙放电电压为1.1~1.15倍的试验电压,并将试验电压调至试验电压值,持续一分钟后降压到零,切断试验电源。
检查完成后,接入被试设备,合上ZC-500试验变压器操作箱电源,升压过程中应密切监视高压回路、仪表和监听被试设备。对于变压器、电动机等重要设备的升压速度,在加至1/3试验电压后,应按每秒3%试验电压的升压速度均匀升压。当升至试验电压时,开始计算时间和读取试验电压及电流值。时间到,迅速均匀地降压到零并切断试验电源。交流耐压试验的时间一般为一分钟(绝缘棒、绝缘工具及单独的有机绝缘材料,交流耐压试验的时间应为五分钟)。
[1]交流耐压试验的被试物一般属于电容性的,由于电容电流在试验变压器线圈上会产生漏抗电压降,使试验变压器高压侧电压发生升高现象,因此对重要的和电容量较大设备进行交流耐压试验时,必须在高压侧测量电压,如采用低压侧测量按变比K换算高压侧电压的方法加到被试物上,很可能超过要求的试验电压,甚至造成设备绝缘击穿。
[2]禁止用冲击合闸的方法给被试设备施加电压,一般应先由零升至1/3试验电压,由1/3试验电压升至试验电压,应历经10~15秒钟。试验完毕的降压过程,也应进行同样的操作。
[3]对于新安装的油浸变压器,应在注油完毕静止一定时间后(大容量变压器12~20小时,3~10千伏配电变压器5~6小时),才能进行交流耐压试验。
[4]在交流耐压试验过程中,如发现ZC-500试验变压器操作箱电压表指针摆动过大,电流表指示急剧增加;升压过程中电流上升,电压基本不变,甚至有下降趋势;被试设备出现冒烟、焦味、不正常响声等,应立即切断电源做好安全措施后,检查原因。
[5]交流耐压试验完毕,应断开试验电源、充分放电后,立即触摸被试设备,检查有无发热。
[6]被试设备交流耐压试验的前、后,均应使用ZC-430A绝缘电阻测试仪测量绝缘电阻。被试设备交流耐压试验后的绝缘电阻,不应下降30%,如下降过多,必须查明原因。