直流耐压及泄漏电流试验与绝缘电阻的测定本质上是相同的,与绝缘电阻测定不同的是直流耐压及泄漏电流试验时,试验电压值是逐步升高的,可以用不同电压下泄漏电流的大小来判断被试物的绝缘状态,而且最终的试验电压比较高,从而能够发现绝缘电阻测定过程中所不能发现的绝缘缺陷,特别是被试物的局部绝缘缺陷。
直流耐压试验的作用是试验绝缘的抗电强度,施加的直流电压比较高,对于找出局部缺陷更具特殊意义。泄漏电流试验电压是逐步提升的,良好绝缘在一定的电压范围内,绝缘电阻值是不随试验电压变动的,如果泄漏电流随电压上升不成比例的迅速增加,则表明绝缘存在缺陷。另外良好绝缘的吸收现象应十分明显,泄漏电流应随试验时间的延长而下降,如果泄漏电流随试验时间的增加而上升,则表明绝缘存在缺陷,而且缺陷在发展,此时应延长试验时间、提高试验电压,找出绝缘缺陷。如果试验过程中,出现泄漏电流大小摆动变化,则表明被试绝缘或试验器具有放电现象,应仔细检查找出缺陷。
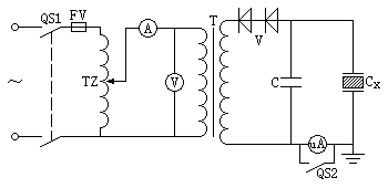
直流耐压及泄漏电流试验设备,一般由调压器、试验变压器、半导体硅堆组成的半波整流电路和测量仪表构成,试验接线如图1-4所示,也有专用直流耐压及泄漏电流试验的直流高压发生器。

图1-4 直流耐压及泄漏电流试验接线图
接线完毕通电试验前,应经第二人检查接线及使用仪表是否正确,试验电源电压是否正确,调压器手柄是否在零位。然后合上电源开关,调节调压器使试验设备输出电压逐步升高到所需要的试验电压值,同时测量试验设备和接线的泄漏电流,并记录下来(被试绝缘的泄漏电流实际值,应为总的泄漏电流减去试验设备和接线自身的泄漏电流)。确定试验设备和接线无误后,调压器手柄回零位,切断试验电源开关,接入被试设备。对被试设备进行试验的过程中,应逐段提高试验电压,并读取相应的泄漏电流值,每点停留一分钟,以减少充电电流的影响。直流耐压的试验时间,根据相关的规程、规范确定。
[1]试验设备与被试设备连接的高压导线,应采用绝缘良好且尽量短的导线,并使其对地及其他接地部分有足够的距离,以减少杂散电流的干扰。
[2]对于能分相试验的设备必须分相试验,试验一相或一相线圈时,其他相或线圈应短路接地。
[3]试验过程中,如出现击穿、闪络、微安表大幅摆动或泄漏电流突变等异常情况,应立即降低试验电压,切断试验电源,查明原因并处理后再做试验。
[4]试验完成后,应对被试物短路放电保证安全,同时根据被试物放电火花大小和声音的强弱可大概了解被试物绝缘情况。
[5]温度对泄漏电流的影响极为显著,泄漏电流试验最好在被试物为30~80℃时进行,在此温度范围内泄漏电流变化较为明显,低温尤其是零度以下试验,难以得到正确的试验结果。