常规的电气设备介质损耗角正切值tgδ的数值一般都采用介质损耗测试仪测量,绝缘在线监测损耗因数tgδ的方法很多,如电桥法、全数字测量法等,常用的方法是监测绝缘体的泄漏电流及PT信号,通过计算泄漏电流和电压的相角差而得到介质损耗角正切值tgδ的数值。其测量原理大都使用硬件鉴相及过零比较的方法。目前的绝缘在线监测产品基本都是用快速傅立叶变换(FFT)的方法来求介损。取运行设备PT的标准电压信号与设备泄漏电流信号直接经高速A/D采样转换后送入计算机,通过软件的方法对信号进行频谱分析,仅抽取50Hz的基本信号进行计算求出介损。这种方法能消除各种高次谐波的干扰,测试数据稳定,能很好地反映出设备的绝缘变化。但由于绝缘体的泄漏电流非常微弱,而且现场的干扰较大,要准确监测绝缘体的泄漏电流比较困难。因此,要实现绝缘损耗因数tgδ的在线监测,必须解决微弱电流的取样及抗干扰问题。
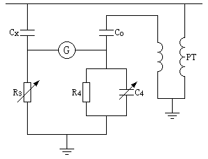
电桥法在线监测tgδ的原理图如1-1所示,由电压互感器带来的角差,可通过RC移相电路予以校正。然而角差会随负载大小等因素的影响有所变动,所以校正也不可能是很理想的。电桥中R3,C4的调动可以手动,也可以自动。由于是有触头的调节,为了长年的使用,必须选择十分可靠的R3,C4可调节元件。
电桥法的优点是,它的测量与电源波形及频率不相关;其缺点是,由于R3的接入,改变了被测设备原有的状态。为了安全,还要装有周密的保护装置。

全数字测量法又称数字积分法,这是一种用A/D转换器分别对电压和电流波形进行数字采集,然后根据傅里叶分析法的原理进行的数字运算,最终可以求得tgδ值。
被测设备的电压信号由同相的电压互感器PT提供,或再经电阻分压器输出。电流信号由电容式套管末屏Cx2接地线或设备接地线上所环绕的低频电流传感器CT获得。由后者把电流信号转换为电压信号。这种CT需要特殊设计,以使所产生的角差极小。由于获取电流信号方面的限制,全数字测量法仅限于使用在电容型设备上。图1-2表示电压和电流信号的拾取。

实际的电压波和电流波是含有谐波的周期性函数。在电路原理中已阐明,当一个周期性函数f(t),在满足狄里赫利条件时,它可以展开成三角形式的傅里叶级数:
f(t)=a0+∑n=1∞(ancosnωt+bnsinnωt) (4-1)
f(t)=A0+∑n=1∞Ansin(nωt+θn) (4-2)
式中,ω为基波角频。
现只取基波,即只取n=1的一个项,其中幅值
A1=√(a12+b12) (4-3)
各有关电路原理的书籍中均已证明了系数
a1=2/T∫0Tf(t)cosωtdt (4-4)
其中,T为周期。系数
b1=2/T∫0Tf(t)sinωtdt (4-5)
θ1=arctan(a1/b1) (4-6)
对于流过试品的电流i(t)和加在试品上同一个相的电压u(t)的两路信号,分别可以通过式(4-4)~(4-6)求得各自的电流及电压基波幅值I1,U1和基波相位θi和θu。这样可得介质损失角正切
tanδ≈δ=π/2-(θi-θu) (4-7)
所测介质的电容为
Cx=I1cosδ/(U1ω) (4-8)
在理想条件下,根据采样定理的概念,A/D的采样率不必取得很高,即可达到足够的准确度。在此条件下,求系数a1和b1时的数字积分的运算工作量不大。但是电力系统的频率f允许在一定范围内变动(我国为50±0.5Hz),尽管采样率可以很准确地达到一定值,但真正要实现同步采样是比较困难的。同步采样是指被采样信号的真正周期T等于等间隔采样周期Ts的整数倍。不能实现同步采样就会产生非同步采样误差。为了解决或减小这一误差,需在软件或硬件上另行采取措施,例如采样方法可采用准同步采样。
本法的优点是硬件系统比直接测量介质损耗角δ的方法简单。此外,因只对基波进行运算,故等于对谐波进行了比较理想的数字滤波。