在交流电压作用下,避雷器的总泄漏电流(全电流)包含阻性电流(有功分量)和容性分量(无功分量)。在正常运行情况下,流过避雷器的主要电流为容性电流,阻性电流只占很小一部分,约10%~20%左右。但当阀片老化、避雷器受潮、内部绝缘部件受损以及表面严重污秽时,容性电流变化不多,而阻性电流却大大增加,所以目前对氧化锌避雷器主要进行全电流和阻性电流的在线监测。
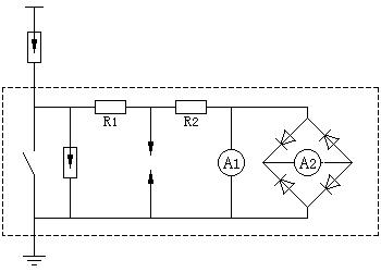
目前国内许多运行单位使用MF-20型万用表(或数字式万用表)并接在动作记数器上测量全电流,其测量原理与有并联电阻避雷器电导电流测量原理基本相同,这是一种简便可行的方法。俄罗斯等国广泛使用的全电流监测仪原理如图1-1所示。

测量时,可采用交流毫安表A1,也可用经桥式蒸馏器连接的支流毫安表A2。当电流增大到2~3倍时,往往认为已达到危险界限。现场测量经验表明,这一标准可以有效地监测氧化锌避雷器在运行中的劣化。
由于MOA的非线性特性,即使外施电压是正弦的,全电流也非正弦,它包含有高次谐波。使用MOA电流测试仪测量MOA中的三次谐波电流,来推出阻性电流。使用这种方法测量较为方便,但当电力系统中谐波分量较大时,常会遇到困难,难以作出在正确的判断。
测量三相氧化锌避雷器的零序电流,是三次谐波法的特殊形式。当3台避雷器均为同一类型且均正常时,测得的三相基波之相量和接近于零。但避雷器阀片为非线性元件,因而即使三相电源电压正弦且平衡,仍有三相三次谐波电流之和可以测出。只要三相避雷器不是同步老化的话,就可以采用此法来发现缺陷。
监测流经MOA的阻性电流分量或由此产生的功耗能发现MOA的早期老化,因阻性电流仅占全电流的5%~20%,故监测全电流很难判断MOA的绝缘劣化,故应进行阻性电流的在线监测。而在线监测MOA全电流、谐波电流、零序电流等方法都只是从MOA下端取得电流信号,但要从全电流中分出阻性分量来,需取试品的端电压来作为参考信号。
我国引进最多的LCD-4阻性电流测量仪就是利用这原理,其基本原理如图1-2所示。它是先用钳形电流互感器(传感器)从MOA的引下线处取得电流信号I&0,再从分压器或电压互感器侧取得电压信号U&S。后者经移相器前移90°相位后得到U&S0(以便与MOA阀片中的容性电流分量I&C同相),再经放大后与I&0一起送入差分放大器。在放大器中,将GU&S0与I&0相减;并由乘法器等组成的自动反馈跟踪,以控制放大器的增益G使同相的(I&C-GU&S0)的差值降为零,即I&0中的容性分量全部被补偿掉,剩下的仅为阻性分量I&R,再根据U&S及I&R即可获得MOA的功率损耗P了。
采用这种类型的阻性电流监测仪比较方便实用,因为它是以钳形电流互感器取样,不必断开原有接线,而且不需人工调节,自动补偿到能直接读取I&R及P。钳形电流互感器的磁芯质量很重要,要保证不因各次钳合时由于电流互感器铁芯励磁电流变化而引起比差,特别是角差的改变,并需要采用良好的屏蔽结构以尽量减小在变压所里实测时外来干扰的影响。国内依据上述原理研制开发出多种阻性电流在线监测仪。

现场试验经常发现,当三个同类的MOA组成三相而呈一字形排列时,如用阻性电流在线监测仪进行测量时,读出这三相MOA各自的I&R及P,往往是中间相的数据居中,而两边相中有一相偏大、另一相偏小。那么为什么即使是同型号、同批生产的三台MOA,在线监测的全电流I&0值相差很小,而阻性分量I&R及功耗P却有显著的差别呢?研究表明。这主要是由于在线监测时的相间电容耦合造成的。由于相同电压耦合的影响,使得边相MOA上沿高度方向各处的电位已不同相,即并不都与外施电压的相位保持相同。在国内一般的500KV三相MOA的布置中,边相MOA最底部阀片上的电压梯度的相位与外施电压的相位之间可能有3°左右的相移角α。这样如采用常规的阻性电流分量的测量原理,仍以外施电压U&S的相位为准,来区分与其同相的I&R或差90°相位的I&C,那必将对I&R的正确测量带来严重误差。
比较成功的消除相间干扰的方法是:当测量处于边相位置的MOA时,不仅用一钳形电流互感器测取该相MOA下端的电流,且用另一钳形电流互感器测取与其对称位置的另一边相下端的电流。由于相间杂散电容的耦合,使两边相下端测得这两电流之间的相位差已不是120°,而是120°±α,因而可用软件求出α后将基准电压相位自动移相α角,然后仍可用常规的测阻性电流方法测出比较准确的I&R及P。另一种方法是在被测MOA的最下端的瓷套外贴以金属箔电极,认为感应得的电压相位与最下端阀片上的电压梯度同相,以此为基准来分辨MOA下端处测得电流中的阻性及容性分量。