直流电机可分为直流发电机和直流电动机两类。通常是作为直流电源(发电机)和调速拖动(电动机)用。在发电厂里,同步发电机的励磁机,蓄电池的充电机,给粉机用电动机,事故油泵电动机都是直流电机。
按《预规》要求,直流电机的测量项目有:①绕组的绝缘电阻;②绕组的直流电阻;③电枢绕组片间的直流电阻;④绕组的交流耐压;⑤磁场可变电阻器的直流电阻和绝缘电阻;⑥调整碳刷中心位置;⑦检查绕组极性及其连接正确性;⑧直流发电机特性试验。
绕组是指励磁绕组、换向极绕组、补偿绕组及电枢绕组。按《预规》要求用1000V绝缘电阻测试仪,绝缘电阻不低于0.5MΩ,对励磁机应测电枢绕组对轴和金属绑线的绝缘电阻。
测量绕组的直流电阻是检查各焊接部分是否有虚焊、开焊及绕组有无匝间短路或断线等缺陷。可用ZC-205A直流电阻测试仪或压降法进行。应注意下列事项。
(1)并励励磁绕组直流电阻较大,可用ZC-205A直流电阻测试仪测量。串激励磁绕组,换向极绕组,补偿绕组直流电阻小。
(2)对直流电阻小的绕组,测量后必须在报告上注明测量位置,以便以后作比较。
(3)测量值应换算到同一温度进行比较(相差不大于2%)。
(4)当怀疑有匝闾短路,而直流电阻又无明显反映时,可以测电枢绕组和各磁极绕组的交流阻抗来判断。
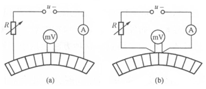
测量目的是为了检查电枢绕组与换向片的焊接是否开焊,虚焊及换向片间有无金属性短路等缺陷。测量方法可用高精度、速度快的ZC-205A直流电阻测试仪也可用压降法,一般加5%~10%的,N(约5~10A)用R=U/I×103计算直流电阻(U一mV、I一A、R一μΩ),如图1-1所示。

《预规》要求试验电压为1kV,对100kW以下不重要的直流电机,电枢绕组对轴可用2500V绝缘电阻测试仪代替。
直流发电机特性试验包括空载、负载、外特性试验。
(1)空载特性试验。空载特性是指在额定转速下空载运行,测电枢绕组电压与励磁电流的关系曲线。试验接线如图1-2所示。试验时,对励磁机应断开灭磁开关,切除灭磁电阻,磁场变阻器置于最大位置,电机达额定转速时保持稳定。先断开励磁机励磁回路,读取剩磁电压,然后接通励磁机励磁回路,逐步升高电压,直至磁场变阻器全部切除。完成上升曲线后按相反次序完成下降曲线。注意励磁电流应不大于1.5~2.5IN。调节应单一方向增减,不能回复调节,若无剩磁感应电压,可用外电源恢复剩磁。
(2)负载特性是指直流电机带负载运行,测录励磁机励磁电流和电枢绕组的电压关系曲线,对励磁机而言,可以用同步发电机的转子绕组作为负载,和发电机空载试验同步进行。
其余的项目由于方法较简单故不一一说明了。

某厂有一台直流电动机Z2-92型,75kW,220V,385A。采用滑动轴承。由于周围环境较潮湿,加上轴承漏油及电刷炭粉的积储,测电枢绕组的绝缘电阻过低,(<0.3MΩ),通过清扫后,绝缘电阻升至20MΩ,但运行一段时间后绝缘电阻又降至<0.3MΩ;再清扫升至10MΩ,如此反复,以致不能靠清扫来解决,决定进行彻底处理。先用汽油清洗,主要部位是换向器侧支架绝缘表面和电枢绕组引线表面,然后用干净压缩空气吹净残存汽油,并进行干燥浸漆处理。干燥温度为110~120℃,时间为5~15h;浸漆时分数段浸于漆槽中,每浸一段为15min,温度为60~70℃。然后进行滴漆,不少于30min。同时用甲苯擦净各部分附着的清漆。浸漆后再进行干燥,初期80℃,后期120℃。直至绝缘电阻稳定结束。最后在外表面喷灰磁漆防油。
此外,对周围环境加通风装置,对滑动轴承进行改造加装了防油装置。
经过彻底处理后,该电机的绝缘电阻就一直良好。
某电厂一台励磁机,100kW,250V,400A。单波绕组。在预试中测换向片间直流电阻时发现有一片为0.00092Ω;而常值为0.008249Ω,(根据单波绕组特点测鱼相隔两个极距的两换向片间的直流电阻)从外观检查看该片表面有发黑的痕迹。从直流电阻看互差为11.5%,已超标(10%)。为此进行了进一步检查。通过测量升高片连接线头间电阻确定了升高片开焊缺陷,进行重焊后问题解决。
按《预规》要求,大修时先调整碳刷中心位置,必要时可做无火花换向试验。所谓必要时是指在正常化检查合格条件下,尚未解决换向火花问题时。
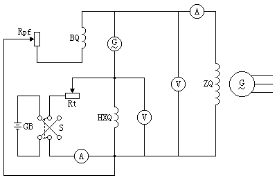
有一台BT-75-3000励磁机,经多次大修后,换向火花日益严重,经正常化检查基本合格,仅极距偏差稍有超过,为此进行无火花换向试验。试验接线如图1-3所示。
在图1-3中,刀开关的额定电流为30A,蓄电池为12V,附加电流调整电阻为0~4Ω,30A,补充馈入电流表量程0~50A(用毫伏表配分流器)换向极绕组电压表7.5V,以同步发电机转子绕组作负载,可以继续对外供电。
当励磁机带负载后,使负载电流为200A,此时换向火花为1(1/2)级。馈入反向附加电流,换向极绕组电压表指示减小,当反向附加电流从3A变化至25A时,火花变化是有的刷下减小,有的刷下增大。作正向调整也是如此。经分析,该机大修时为了满足换向极气隙偏差不超过±5%,对极下垫片,作了不适当的调整。使磁性和非磁性垫片混乱,造成有的超前,有的延滞换向。

停机后,对各垫片进行测量,并将所有非磁性垫片在各换向极下均调至2.7mm,用磁性垫片调整使各换向极下气隙均为5mm。
调整后做试验,电流为200A,馈入附加电流前,换向火花为1(1/2)级。正向馈入附加电流,6.5A对火花减小,9A时无火花,19A时出现初次火花。
当负载电流为240A时,正向附加电流为12~22.5A时,无火花。在负载200A时,无火花换向区域平均线偏离横坐标轴为△I200=(9+19)/2=14A,气隙改变值△δk/δk=△I/I=14/200=7%;在负载电流240A时,△I240=(12+22.5)/2=17.25A,△δk/δk=17.25/240=7.19%。取240A为基准,调整垫片。
该励磁机的换向极气隙由二部分组成,其中δk1为换向极铁芯与电枢表面间空气隙,δk2为换向极铁芯与机座间的非磁性垫片厚度,故δk=δk1+δk2=5+2.7=7.7mm,而△δk=7.19×7.7=0.55mm,为此,将各极下抽取0.5mm非磁性垫片(△I为正向时,气隙减小)并换上0.5mm磁性垫片。经调整后,全部电刷火花已完全消灭。
某厂一台励磁机(直流发电机)型号为BT-120-3000(120kW,3000r/min,额定电压230V,额定电流520A)在某年因运行中电刷振动冒火,为此做了各种电气试验,包括空载、负载和外特性试验等。
空载特性试验数据见表1-1。
| 空载电压U(V) | 20 | 50 | 80 | 110 | 140 | 170 | 200 | 220 | 240 | 260 | 280 | 300 |
| 空载电流(上升)I(A) | 0.38 | 1.2 | 2.08 | 3.2 | 3.6 | 4.5 | 5.4 | 6 | 6.7 | 7.5 | 8.5 | 9.6 |
| 空载电流(下升)I(A) | 0.26 | 1.0 | 1.75 | 2.5 | 3.4 | 4.2 | 5.0 | 5.7 | 6.2 | 7.1 | 8.2 | 9.35 |
根据上述数据绘制的特性曲线如图1-4所示。
负载特性试验数据见表1-2。
| 电流(A) | 0 | 100 | 200 | 300 | 400 | 500 |
| 电压(V) | 196 | 193 | 190 | 189 | 187 | 180 |

励磁电压变化率为△U%=(196-180)/196×100%=8.16%。
外特性试验数据见表1-3。
| 负载电流(A) | 0 | 100 | 200 | 300 | 400 | 500 |
| 励磁电压(V) | 196 | 195 | 192 | 187 | 185 | 176 |
电压下降率为△U%=(196-176)/196=10.2%。
以上试验与历次试验比较合格。
同时,又做了定、转子直流电阻,整流片间电阻;定子绕组的交流阻抗和电压降(分转子抽出前后),都未发现问题,最后在拆对轮时发现间隙变大(0.16mm)而松动,镶套处理。

有一台直流电机,其电枢绕组由蛙式绕组构成,其参数为:槽数Z=46;换向片数K=92,叠绕组部分的换向片节距yk=1;第一节距Y1=22,第二节距y2=21;波绕组部分的换向片节距yk=45,第一节距为y'1=24,第二节距y'2=21,具体接线如图1-5所示。
分别测量叠绕组和波绕组的直流电阻。测量结果如下:
(1)叠绕组部分从1~92号的直流电阻为0.000898~0.000909Ω。
(2)波绕组部分从1~46号的直流电阻为0.000909~0.000913Ω。
由上述数据计算得互差
△R1=(0.000909-0.000898)/0.000898=1.2%
△R2=(0.000913-0.000909)/0.000909=0.44%
由《预规》要求,相互间差值不应超过最小值的10%,合格。