当一些并联电容器被切除后,会产生一定的残压。为了安全,在10min内电容器端子间电压由√2UN(UN为额定电压)降到75V以下。为了大道这一要求,一般在电容器端子并联高阻值为放电电阻,称为并联电阻。该电阻除应满足阻值要求外,还应有足够的功率和耐电强度。
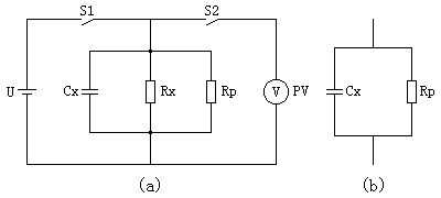
测量并联电阻阻值收益按接线图如图1-1所示。当t=0时,Cx两端电压已被充电到U1,并断开电源U,经过时间t后,Cx两端电压U1经放电电阻Rp放电到U2。U2是由U1按指数规律衰减的,即
U2=U1e-(t/τ)
τ=RpCx(因为Rx≥Rp,Rx略去)
式中 τ——时间常数。
将上式展开,则
U2=U1{1-t/(RpCx)﹢[t/(RpCx)]2/2!-…}
当t≤RpCx时,上式简化为
U2=U1[1-(t/RpCx)]
故 Rp=U1t/[Cx(U1-U2)]
式中 Cx——并联电容器的电容值,已测出;
U1——t=0时,并联电容器两端电压,已测出;
U2——t=t时,并联电容器两端电压,U2和t均已测出。
这样就可以测出Rp值。
(1)按图1-1接好线,先合S1、S2,充电,并测得U1值。

(2)将S1、S2都断开,并开始计时。对Rp放电。
(3)经过时间t后,合上S2,测量试品两端电压U2值。
(4)将测量的Cx、U1、U2和t值代入公式Rp=U1t/[Cx(U1-U2)],即可计算出Rp值大小。
(1)测量时用的静电电压表,要满足准确度的要求。
(2)S1、S2的绝缘电阻值要比Rp大100倍以上,以消除泄漏电流的影响。
(3)时间t要计时准确。
Rp与出厂值偏差在±10%范围内为合格。