通过发电机定子铁心损耗及温升试验,检查定子铁心的铁损值和铁齿各部分的温升状况是否符合标准要求。
(1) 根据DL/T596-1996《电气设备预防性试验规程》,励磁磁通密度为1.0T(特斯拉)下持续试验时间为90min。齿的最高温升不超过25K,齿的最大温差不大于15K,单位铁损不得超过该型号硅钢片的允许值(一般在1T时为2.5W/kg)。在磁密为1.0T下持续试验时间为90min。
(2) 试验时的各部分温升和铁损值与出厂值比较,不应有明显增大。
铁心轭部面积: S=28413cm2;铁轭重量:G=146200kg。

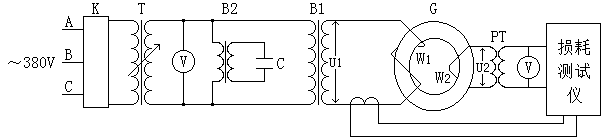
图中:
K:空气开关
T:调压器
B1:中间变压器
B2:补偿变压器
C:补偿电容器组
CT:电流互感器
V:电压表
G:被试发电机铁心
W1:励磁绕组
W2:测量绕组
试验采用调压器零起升压,磁通密度试验值为1.0T。励磁线圈匝数W1=3匝,测量线圈匝数W2=1匝,测量电压为U2=630.8V。
在加压试验过程中,监测U2达到630.8V时,即认为铁心中的磁密已达到了试验所要求的磁密值(B=1.0T)。
(1) 试验前发电机定子冷却水系统应停止工作;
(2) 发电机定子三相绕组出线及中性点均须可靠短路并接地;
(3) 发电机出口CT二次侧须短路接地;
(4) 发电机定子铁心各测温元件的测温功能应尽量恢复;
(5) 试验电源容量要求为三相380V,500kVA,试验只需两相,考虑安全因素,电源容量应有一定裕度。由于试验电流较大,为了避免试验时电源电压下降太多,要求电源电缆的截面积应足够大,建议:用两根3×Ф185mm2+95 mm2的电缆作为电源电缆,并引至发电机平台试验现场;为避免电缆通入大电流后铠装层产生涡流发热,应将一根电缆的其中两根相线(如黄相与红相)与另一根电缆中不同色的两线(绿相与零线)并联作为一相使用,另外,必须将电缆的铠装层一端可靠接地;
(6) 电源开关的跳闸按钮要拉至发电机平台,并确保能正确动作;
(7) 电气二次人员事先设定电源开关相关的电流速断及过流保护整定值。当发生异常情况时,能及时断开电源;
(8) 现场制作的电缆接头线耳须用Ф18mm2大小的孔,以便于用螺杆安装到试验开关柜的相关部位;
(9) 现场必须另外提供三相380V、20A的电源作为调压器及冷却风扇电源;
(10) 开关柜及其后面的试验专用电缆(包括励磁绕组及测量绕组)由我公司提供,电厂协助励磁绕组及测量绕组在定子膛内的穿绕。试验开始前及结束后,需要进行试验设备的吊装工作。
(1) 试验前用2500V绝缘电阻测试仪检查励磁绕组及测量绕组的绝缘电阻;
(2) 试验开始前记录定子铁心表面起始温度及环境温度;
(3) 根据接线图,检查确认回路及表计接线正确无误;
(4) 合上冷却风扇电源,检查转向是否正确;检查调压器是否在零位;
(5) 通知有关人员合上主电源开关,检查电源电压;
(6) 采用调压器零起升压,在加压试验过程中仔细观察试验回路中的电流及电压,并用红外热像仪检测铁心表面温度和试验回路(如发现回路接头处有过热等情况,应及时降压处理),确认一切正常后,逐渐加压,使U2达到计算值时,即认为铁心中的磁通密值已达到了试验所要求的1.0T,试验正式开始计时;
(7) 试验时用红外热像仪测量定子膛内温度,每15分钟记录一次数据(包括温度、电流、电压和损耗值);
(8) 试验持续90分钟后结束,结束前试验人员应记录铁心齿部的最高温度及最低温度值。
(1) 试验的工作票由电厂负责;
(2) 电厂应指定一个试验负责人负责与试验所负责人的联络,现场应有相关人员给予必要的配合;
(3) 电厂应指定专人负责低压电源开关柜的分合闸操作,分合闸指令由试验所负责人发出(用对讲机);
(4) 试验期间,电厂有关人员应注意监视电源开关柜的状态,加强巡视,有异常情况须及时通知电厂的试验负责人并切断电源;
(5) 试验开始及结束时,电厂应及时提供必要的起吊设备,以便于试验设备的吊装。
本试验属于高电压、大电流和长时间的试验,必须高度重视。
(1) 存在对发电机端部和铁心造成损害的可能。试验回路与发电机本体没有直接的电连接,但在定子铁心上缠绕试验电缆或试验时,须注意不能对发电机本体造成损害。因此采取如下措施:
a. 励磁线圈采用专用的、足够截面的绝缘电缆,测量线圈采用铜心硬绝缘导线,
b. 励磁线圈与铁心表面及端部接触部位应有绝缘隔离措施(木块及胶板);
c. 穿绕后用2500V绝缘电阻测试仪检查绝缘电阻;
(2) 加压或试验过程中铁心可能出现局部高温过热现象。加压或试验过程中若发现铁心任何一处温度上升较快,接近铁心的温度限额(120℃)时,或其他异常发热时,须立即停止试验,待检查和处理后方可重新进行试验;
(3)异物进入发电机膛内的危险。工作人员进入发电机定子膛内时,应穿着符合要求的连体服及平底鞋,并将身上金属及其它物品取出,严禁将异物带入膛内;
(4) 电厂方面须派人配置对讲机在试验电源侧看守,一旦发现异常情况立即向试验人员报告以便及时采取处理措施;
(5) 电源开关的分闸控制按扭引至发电机平台试验现场,当发生异常情况时,能及时断开电源;电气二次人员应根据最大可能试验电流值,事先设定好电流速断及过流保护整定值,当发生异常情况时,能及时断开电源;
(6) 发电机定子三相绕组出线及中性点均须短路并可靠接地;
(7) 为保证人身安全,试验进行前须设安全围栏,悬挂“高压危险”标志牌,并有专人监护;
(8) 现场应放置有适当的消防器材;
(9) 试验设备起吊要注意绑扎、固定牢固;
(10) 试验时发电机上禁止其它的作业。
(1) 试验接线回路与发电机本体没有直接的电的连接,但在试验开始前在定子铁心上缠绕试验电缆时须注意不能对发电机本体造成机械性破坏;
(2) 试验过程中若试验人员用红外热像仪监测到发电机铁心任何一处温度超出试验标准规定范围,应记录过热点位置,待试验结束后进行处理。若出现温度接近或超出绝缘的最高允许工作温度,则须立即中止试验,待原因查明并排除问题后方可重新进行试验。