测量转子绕组的交流阻抗和功率损耗,可以作为运行或今后大修时判断转子匝间绝缘情况的原始数据。
(1) 隐极式转子在膛外或膛内0转速下测量;
(2) 每次试验应在相同条件相同电压下进行,试验电压峰值不超过额定励磁电压。

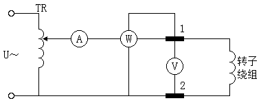
图1-1 转子绕组交流阻抗和功率损耗测量示意图
(1) 按图接线,励侧回路断开,电压表要用最短的粗导线直接接于滑环1、2上。
(2) 用调压器TR分级升压,测量并记录电压U、电流I和功率P。
(1) 膛内测量时定子绕组上有感应电压,应将定子绕组与外电路断开;
(2) 转子大轴应可靠接地;
(3) 对于转子绕组有一点接地,或对水内冷转子绕组测量时,必须用隔离变压器加压。
(1) 交流阻抗Z计算公式为:Z=U/I。
(2) 在相同的试验条件下,将测量的Z与P和原始(或历次)数值比较,相差10%应引起注意。相同的试验条件指转子同在膛内或膛外、相同的发电机转速和相同的试验电压。
(3) 影响交流阻抗和功率损耗的因素除了转子在膛内或膛外、发电机转速、试验电压有关外,还与槽楔、护环、转子本体剩磁等有关,分析时应综合考虑。