测量转子绕组转子两极间的电压分布情况,可以作为判断转子匝间绝缘情况的原始数据。
(1) 隐极式转子在膛外0转速下测量;
(2) 每次试验应在相同条件相同电压下进行,试验电压峰值不超过额定励磁电压,一般选取100V。

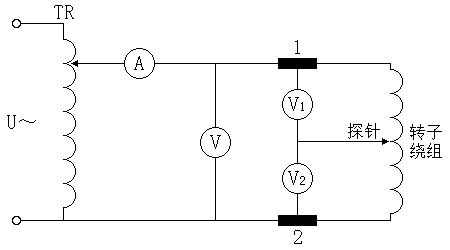
图1-1 转子绕组极平衡试验示意图
(1) 按图接线,励磁回路断开,电压表要用最短的粗导线直接接于滑环1、2上;
(2) 用调压器TR升压至试验电压U(一般选取100V);
(3) 使用金属探针在转子励端极一(或称正极)侧护环内侧由里至外依次接触转子绕组各匝线圈的金属裸露部位中点,针尖与线圈应接触良好。测量并记录电压U1、U2;
(4) 同理,在转子励端极二(或称负极)侧测量并记录电压U1、U2;
(5) 比较两极测得的U1、U2电压值与试验电压U的比例,判断转子两极间的电压分布情况。
(1) 膛内测量时定子绕组上有感应电压,应将定子绕组与外电路断开;
(2) 转子大轴应可靠接地;
(3) 金属探针除针尖裸露外,其余部位必须可靠绝缘;
对于转子绕组有一点接地,或对水内冷转子绕组测量时,必须用隔离变压器加压。