1、其试验方法和要求按GB 1208-1997中第5章和第6章及附录A进行。
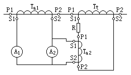
2、推荐采用图1-1或1-2中的试验接线图。


3、复合误差型式试验时二次电流较大,测试时间应尽量短,除采用图中电流表测量外,通常采用示波器或暂态记录仪进行测量。
4、测试用负载箱不应采用测量额定一次电流下误差时的负载箱,而应采用能承受额定准确限值一次电流的测量复合误差电流通用的负载箱。
5、试验前或重复试验时应对被试绕组进行退磁,以免由于剩磁影响而造成复合误差不合格。
6、额定仪表限值一次电流(IPL)测量应为测出复合误差大于10%时的最小一次电流值,但由于此数值较难迅速测出,故通常釆用施加额定一次电流乘以仪表保安系数(FS)的一次电流,测得的复合误差应大于10%。