致卓测控

在线客服

销售热线

400-027-1566

电流互感器无线电干扰试验方法

时间:2018-12-18 阅读: 次 来源:致卓测控
文章标题:电流互感器无线电干扰试验方法关  键 词:电流互感器,电流互感器无线电干扰,电流互感器无线电干扰试验方法概      述:电流互感器无线电干扰试验方法和要求应按GB/T 11604-1989的有关规定进行。

1、电流互感器无线电干扰试验方法和要求应按GB/T 11604-1989的有关规定进行。

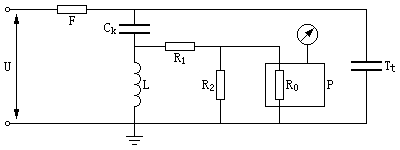
2、电流互感器无线电干扰试验接线图见图1-1。

电流互感器无线电干扰试验接线图
图1-1 电流互感器无线电干扰试验接线图
F——滤波器;Ck——耦合电容;L——电抗器;R0、R1、R2——电阻;
P——无线电干扰测量仪;Tt一被试电流互感器
文章阅读完毕,有任何产品或技术问题咨询,请直接拨打我公司技术服务专线:13638679450,18995634856,24小时竭诚为您服务!
致卓原创 | 版权所有 | 禁止复制 | 抄袭可耻
  • 相关文章
    GIF89a 125859