致卓测控

在线客服

销售热线

400-027-1566

电流互感器绝缘热稳定试验方法

时间:2018-12-18 阅读: 次 来源:致卓测控
文章标题:电流互感器绝缘热稳定试验方法关  键 词:电流互感器,电流互感器绝缘热稳定,电流互感器绝缘热稳定试验方法概      述:电流互感器绝缘热稳定试验方法及要求按GB 1208—1997中4.7.4的规定。 应采用图1-1试验线路进行试验,试验条件允许时,也可采用图1-2试验线路进行试验。

1、试验方法及要求按GB 1208—1997中4.7.4的规定。

2、应采用图1-1试验线路进行试验,试验条件允许时,也可采用图1-2试验线路进行试验。

3、介质损耗因数测量应每小时测量一次,并同时记录环境温度、湿度及试品温度。

4、连接被试互感器的一次导线应选择合适截面积,一般按温升试验要求选择。

5、查看被试互感器温度时,应停电进行,时间应越短越好,尽快恢复送电,必须注意安全。

6、升流器的铁心及一次绕组和二次绕组的同名端应连接在一起,形成等电位。

电流互感器绝缘热稳定试验接线图(一)
图1-1 电流互感器绝缘热稳定试验接线图(一)
T1——高压绕组带励磁线圈的串级式互感器;T2——大电流发生器;Cn——标准电容器
A——电流表;H——介质损耗测试仪;Tt——被试互感器
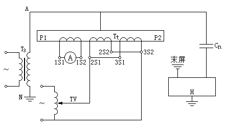
电流互感器绝缘热稳定试验接线图(二)
图1-2 电流互感器绝缘热稳定试验接线图(二)
T3——升压器;TV——调压器;Cn——标准电容器;
A——电流表;H——介质损耗测试仪;Tt——被试互感器
文章阅读完毕,有任何产品或技术问题咨询,请直接拨打我公司技术服务专线:13638679450,18995634856,24小时竭诚为您服务!
致卓原创 | 版权所有 | 禁止复制 | 抄袭可耻
  • 相关文章
    GIF89a 125859