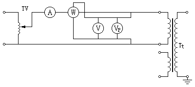
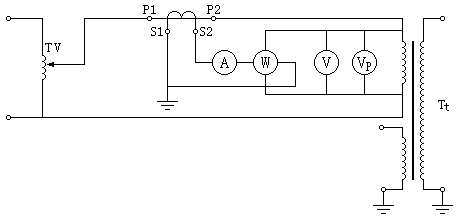
试验接线方法见图1-1或图1-2。
试验电源应为额定频率50Hz,电源波形应为实际正弦波。
试验时应将互感器一次绕组的末端出线端子可靠接地,其他绕组开路,在互感器二次绕组上测量损耗值和励磁电流值,具体测量点按GB 1207-1997中4.10.9的规定。 当用平均值电压表和方均根值电压表同时测量电压时,如果测取的电压值相同或差异不大于2%,则测量的损耗值不需校正,应以平均值电压表读数为准,当平均值电压表读数显示为规定的试验电压时,分别从电流表和瓦特表上读取励磁电流值和损耗值。如果从平均值电压表和方均根值电压表同时瀵取的电压数值差异超过2%时则必须校正。


校正电压波形的方法有两种:
一种方法以平均值电压表为准,施加电压到规定值。读取电流值和损耗值。然后以方均根值电压表为准,施加电压到规定值,读取电流值。最后取两次实测电流值的平均值作为校正后的电流值,以平均值电压表为准读取的损耗值就是校正后的损耗值。
另一种校正方法是以平均值电压表及方均根值电压表上读数,通过计算来取校正后的损耗值。计算公式如下(对于使用冷轧硅钢片的铁心):
P0=2Pm/[1+(U'/Um)2]
式中:
Pm——以平均值电压表读数为准读取的损耗值,单位为W;
U'——以平均值电压表读数为准,从方均根值电压表上读取的电压值,单位为V;
Un——额定电压方均根值,单位为V。
以上两种校正方法中,第一种校正比较方便,因此比较常用。
例行试验和型式试验的电流测量值相差不应大于30%。
ZC-121A PT励磁特性测试仪是武汉致卓测控根据PT的最新国家标准《GB/T 22071.2-2008 互感器试验导则 第2部分:电磁式电压互感器》的规定,并结合互感器生产厂家的实际需求,与中国电力科学研究院武汉高压研究所联合研制的专门针对PT出厂励磁特性、空载特性测量的专用仪器。该仪器采用最先进的DSP+FPGA技术,跟踪测量速度快、捕捉数据准确、更能强大、使用方便,在国内处于领先水平。
(1)全自动采集、测量、显示、存储、打印所有测量参数和励磁特性曲线(电压、 电流、功率、频率、设备编号、时间等)。
(2)超大量程,能自动和手动测量设定点的励磁数据。
(3)支持多达100组预设的试品参数,试验时仅需输入预设试品参数的编号即可调出捕捉点的序列值,大大提高试验效率。
(4)内置超大容量存储器,可存储测试数据,并可经标准工业通讯接口(RS232)上传至PC机,运用本公司开发的随机软件实现数据下载、自动生 成和 编辑典型的测试报告,便于技术管理和存档。
(5)具有完善的过压、过流过压保护值是根据试验参数的设置情况自动调整,既简便又能确保被试设备的安全。
(6)可兼做电压(流)互感器、消弧线圈的伏安特性试验。
(7)自带大屏幕图形LCD,全中文菜单界面,光标提示操作,简单、方便;实时显示测试数据和曲线,曲线坐标自动缩放,读图更加清晰。
(8)自带微型打印机,可实时打印测试报告。
| 规格型号 | ZC-121A | |
| 测试用途 | PT出厂励磁特性、空载特性测量 | |
| 工作电源 | 输入电压 | 185Vac~250Vac |
| 允许输入电压 | 85Vac~264Vac | |
| 频 率 | 50/60Hz | |
| 允许频率 | 45Hz~65Hz | |
| 输入功率 | 40VA | |
| 接 头 | 标准交流插口60320 | |
| 交流电压 | 范 围 | 0~300V |
| 分 辨 率 | 0.001V | |
| 准 确 度 | 0.2%±0.001V | |
| 交流电流 | 范 围 | 0~20A |
| 分 辨 率 | 0.001A | |
| 准 确 度 | 0.2%±0.001A | |
| 有功功率 | 范 围 | 0~6kW |
| 分 辨 率 | 0.001kW | |
| 准 确 度 | 0.5%±0.001kW | |
| 频 率 | 范 围 | 40~75Hz |
| 分 辨 率 | 0.001Hz | |
| 准 确 度 | 0.2%±0.001Hz | |
| 环境条件 | 运行温度 | -10℃~+50℃ |
| 存储温度 | -25℃~+70℃ | |
| 相对湿度 | 5%~95%,不结露 | |
| 物理特性 | 尺 寸 | 415×225×200mm3 |
| 重 量 | ≈5kg(不包括附件) | |