致卓测控

在线客服

销售热线

400-027-1566

电压互感器介质损耗因数(tanδ)测量方法

时间:2018-12-28 阅读: 次 来源:致卓测控
文章标题:电压互感器介质损耗因数(tanδ)测量方法关  键 词:电压互感器介质损耗因数tanδ测量方法,不接地电压互感器介质损耗因数(tanδ)测量方法,接地电压互感器介质损耗因数(tanδ)测量方法概      述:本文主要介绍了电压互感器介质损耗因数(tanδ)测量标准环境条件、不接地电压互感器介质损耗因数(tanδ)测量方法、接地电压互感器介质损耗因数(tanδ)测量方法和新型测试仪器。

1、标准环境条件

(1) 相对湿度:不大于60%;

(2) 试验温度:10℃~30℃。

2、测量方法

2.1 不接地电压互感器

试验电压施加在短接的一次绕组端子上,二次绕组短接且接到测量电桥上,金属底座或箱壳接地。

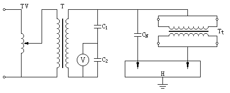
试验接线图见图1-1。

不接地电压互感器介质损耗因数(tanδ)测量接线图
图1-1 不接地电压互感器介质损耗因数(tanδ)测量接线图
TV——调压器;V——峰值电压表;T——试验变压器;H——电桥
Tt——被试电压互感器;Cn——标准电容器;C1、C2——分压器

2.2 接地电压互感器

2.2.1 铁心接地的电压互感器

试验时将一次绕组的末端接地,试验电压施加在一次绕组的首端,二次绕组中任一出线端子均相连且接测量电桥,油箱接地。

试验接线图见图1-2和图1-3。

铁心接地的电压互感器介质损耗因数(tanδ)测量接线图(一)
图1-2 铁心接地的电压互感器介质损耗因数(tanδ)测量接线图(一)
TV——调压器;V——峰值电压表;T——试验变压器;H——电桥
Tt——被试电压互感器;Cn——标准电容器;C1、C2——分压器
铁心接地的电压互感器介质损耗因数(tanδ)测量接线图(二)
图1-3 铁心接地的电压互感器介质损耗因数(tanδ)测量接线图(二)
TV——调压器;V——峰值电压表;T——试验变压器;H——电桥
Tt——被试电压互感器;Cn——标准电容器;C1、C2——分压器
2.2.2 铁心不接地的电压互感器

试验时将互感器与地面绝缘,一次绕组首端施加电压,一次绕组末端接地。二次绕组中任一出线端子均相连且与底座连接,然后接人测量电桥,此时测量tanδ值表示互感器一次绕组与二次绕组、绝缘支架以及外瓷套等之间的介质损耗因数(tanδ),因此通常称为互感器的整体介质损耗因数(tanδ),见图1-4。其试验方法也称末端屏蔽法。

如果将二次绕组中任一出线端子均相连且接地再将底座与测量电桥相连,则测得互感器内绝缘支架的介质损耗因数(tanδ),见图1-5,其试验方法也称支架介质损耗因数测量法。

试验线路见图1-4和图1-5。

一次引线绝缘采用电容型结构的电磁式电压互感器,末屏应接至电桥,其余二次绕组应开路。

铁心不接地的电压互感器介质损耗因数(tanδ)测量接线图(一)
图1-4 铁心不接地的电压互感器介质损耗因数(tanδ)测量接线图(一)
TV——调压器;V——峰值电压表;T——试验变压器;H——电桥
Tt——被试电压互感器;Cn——标准电容器;C1、C2——分压器
铁心不接地的电压互感器介质损耗因数(tanδ)测量接线图(二)
图1-5 铁心不接地的电压互感器介质损耗因数(tanδ)测量接线图(二)
TV——调压器;V——峰值电压表;T——试验变压器;H——电桥
Tt——被试电压互感器;Cn——标准电容器;C1、C2——分压器

3、新型测试仪器

ZC-221介质损耗测试仪是武汉致卓测控研发的专门适用于发电厂、变电站等现场全自动测量各种高压电力设备介损正切值及电容量的高精度仪器。由于采用了变频技术能保证在强电场干扰下准确测量。仪器采用中文菜单操作,微机自动完成全过程的测量。

ZC-221介质损耗测试仪同样适用于车间、试验室、科研单位测量高压电器设备的tgδ及电容量;对绝缘油的损耗测试、更具有方便、简单、准确等优点。ZC-221介质损耗测试仪可用正、反接线方法测量不接地或直接地的高压电器设备,同时可以测量电容式电压互感器的tgδ及主电容C1、C2电容量。

ZC-221介质损耗测试仪内部装备了高压升压变压器,并采取了过零合闸、防雷击等安全保护措施。试验过程中输出0.5kV~10kV不同等级的高压,操作简单、安全。

ZC-221介质损耗测试仪设有以下保护功能:

• 高压短路保护;

• CVT过压保护;

• 仪器接地不好保护。

文章阅读完毕,有任何产品或技术问题咨询,请直接拨打我公司技术服务专线:13638679450,18995634856,24小时竭诚为您服务!
致卓原创 | 版权所有 | 禁止复制 | 抄袭可耻
  • 相关文章
    GIF89a 125859