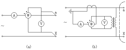
试验接线如图1-1所示。当试验电压和电流不超过仪表的额定值时,可直接将测量仪表接入测量回路[见图1-1(a)]。当电压、电流超过仪表额定值时,可通过电压互感器及电流互感器接入测量回路[见图1-1(b)]。

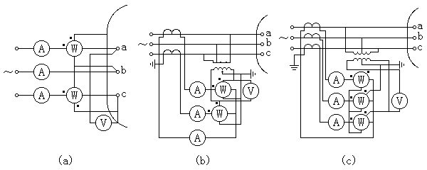
三相变压器的空载试验多采用两功率表法和三功率表法,试验接线如图1-2所示。

对应图1-2(a)所示,空载损耗P0与空载电流百分数I0(%)计算公式为
P0=P1﹢P2
I0(%)=(I0a﹢I0b﹢I0c)/3IN×100%
对应图1-2(b)所示,P0、I0、I0(%)计算式为
P0=(P1﹢P2) kTVkTA
I0(%)=(I0a﹢I0b﹢I0c)/3IN×kTA×100%
对应图1-2(c)所示,P0、I0、I0(%)计算式为
P0=(P1﹢P2﹢P3)kTVkTA
I0(%)=(I0a﹢I0b﹢I0c)/3IN×kTA×100%
以上各式中 P1、 P2、 P3——功率表的测量值(表计格数换算后实际值)
I0a、I0b、I0c——电流表的实测值
kTV——测量用电压互感器的变比
kTA——测量用电流互感器的变比
IN——变压器测量侧的额定电流
当现场没有三相电源或变压器三相空载试验数据异常时,可进行单相空载试验。通过三相变压器的单相空载试验,对各相空载损耗的分析比较,可了解空载损耗在各相分布状况,对发现绕组与铁磁路有无局部缺陷,判断铁芯故障部位较为有效。
进行三相变压器单相空载试验时,将三相变压器中的一相一次短路,按单相变压器的空载试验接线图接好,在其他两相上施加电压,测量空载损耗和空载电流。一相短路的目的是使该相没有磁通通过,因而也没有损耗。
(1) 当加压绕组为星形接线时,施加电压U=2UN/√3,测量方法如下:
第一次试验--a、b端加压,c、0端或c相上的其他绕组(如cb或ca)短路,测量P0ab和I0ab。
第二次试验--b、c端加压,a、0端或a相上的其他绕组(如ab或ac)短路,测量P0ab和I0ab。
第三次试验--a、c端加压,b、0端或b相上的其他绕组(如ba或bc)短路,测量P0ab和I0ab。
三相空载损耗P0和空载百分数I0(%)计算式为
P0=[(P0ab﹢P0bc﹢P0ac)/2]kTVkTA
I0(%)=[(I0ab﹢I0bc﹢I0ac)/3IN]kTA×100%
式中 P0ab、P0bc、P0ac、I0ab、I0bc、I0ac——表计的实测值;
kTV、kTA——测量电压互感器和电流互感器的变比,仪表直接接入时kTV=kTA=1。
(2) 当绕压组为a-y、b-z、c-x连接,即三角形接线时,施加电压U=UN(额定的线电压),测量方法如下:
第一次试验--a、b端加压,a、c短路,测量P0ab和I0ab。
第二次试验--b、c端加压,a、c短路,测量P0bc和I0bc。
第三次试验--a、c端加压,a、b短路,测量P0ac和I0ac。
(3)当加压绕组为a-z、b-x、c-y连接,即三角形接线时,施加电压、测量方法和顺序同(2),只是第一次试验测量的是P0ac和I0ac,第二次试验测量的是P0bc和I0bc,第三次试验测量的是P0ab和I0ab。
三相空载损耗P0和空载百分数I0(%)计算式为
P0=[(P0ab﹢P0bc﹢P0ac)/2]kTVkTA
I0(%)=[0.289(I0ab﹢I0bc﹢I0ac)/IN]kTA×100%
(4) 单相空载损耗数据应符合以下两个要求:
1)由于BC相的磁通与AB完全对称,所以P0ab就近似等于P0bc,实测结果P0ab与P0bc的偏差一般在3%以下。
2)由于AC相的磁路要比AB或BC相的磁路长,所以P0bc=kP0ab=kP0bc,其中k是由该产品铁芯的几何尺寸决定的系数。对于110~220kV变压器,k一般为1.1~1.55;对于35~60kV变压器,k一般为1.3~1.4。
所测得的结果与上述两要求中的任意一个不符合时,则说明变压器有缺陷。
受试验条件的限制,现场常需要在低电压(5%~10%的额定电压下)进行空载试验。由于施加的的试验电压较低,相应的空载损耗也很小,因此应注意选择合适 量程的仪表,以保证测量的准确度,并应考虑仪表、线路等附加损耗的影响。在低电压下得到的空载试验数据主要用于与历次空载损耗数值比较,必要时可近似换算 成额定电压下的空载损耗。换算式为:
P0=P'0(UN/U')n
式中 U'——试验时所加电压;
UN——额定电压;
P'0——电压为U'时测量得到的空载损耗;
P0——换算得到额定电压下的空载损耗试验;
n——系数,决定于铁芯硅钢片的种类,对热轧硅钢片取n≈1.8,对冷轧硅钢片取n≈1.9~2。
由于电源容量不足,在80%~90%额定电压下进行空载试验时,可在70%~90%额定电压间试验不少于5次,并将5次试验所得数值在对数坐标纸上绘成空载损耗P0和空载电流I0随电压变化的曲线,然后用外推法求出额定电压下的P0和I0。
由于设备及运输等方面的原因,电力系统运行部门在现场一般不用较大容量的调压器和变压器来进行空载试验,而直接采用系统电源进行空载试验。
用系统电源进行空载试验时,由于没有调压的过程,而是系统电压直接加到变压器上,相当于投空载变压器,对系统有一定的影响。因此用这种方法试验时,应调整好各种继电保护、变压器及其他电力设备的运行方式,对变压器、线路、测量仪器设备进行仔细的检查,确认无误后方可进行。
试验前将测试仪表设备接好,将测试电流互感器用一组高压隔离开关短路,然后再系统电压下合电源开关,被试变压器将承受很高的操作过电压和很大的励磁涌流,待涌流流过后,用绝缘棒拉开短路用隔离开关在进行测试。现场没有高压隔离开关时应将测量电流互感器二次侧用低压开关短路,涌流过后拉开二次侧低压开关,防止涌流对测量仪表的冲击和损坏。
用系统电压作空载试验时为避免涌流和磁滞等的影响,合闸后应待涌流通过后合仪表读数非常稳定后方可读取测试数据,不应合闸后马上读取。
系统电压一般很少恰好与试品电压相等,但要根据系统的实测电压与试品额定电压的差异,来分析测量数据与出厂数据的差别,判断产品是否有故障。
由于系统电源的容量足够,系统电压与额定电压接近,可利用系统现有设备,不需要大容量的试验设备,试验电压波形无畸变,因而这种试验方法现场经常采用。
ZC-202A变压器空载负载特性测试仪可测量变压器的空载电流、空载损耗、短路电压、短路(负载)损耗。可进行谐波试验,分析至31次谐波。仪器内部自动进行量程切换,允许测量电压、电流范围宽,接线简单。做三相变压器的空载、负载试验时,仪器能自动判断接线是否正确,并显示三相电压、电流的向量图。
单机可以完成1000KVA以下的配电变压器全电流下的负载实验的测量;在三分之一额定电流下可完成3150KVA以下的配电变压器的负载试验的测量(在三分之一的额定电流下,仪器可换算到额定电流下的负载损耗参数)。所有测试结果均自动进行相关校正。仪器可自动进行诸如:波形校正、温度校正、非额定电压校正、非额定电流校正等多种校正,使测试结果准确度更高。
(1)可测量变压器的空载电流、空载损耗、短路电压、短路(负载)损耗。
(2)可进行谐波试验,分析至31次谐波。
(3)仪器内部自动进行量程切换,允许测量电压、电流范围宽,接线简单。
(4)做三相变压器的空载、负载试验时,仪器能自动判断接线是否正确,并显示三相电压、电流的向量图。
(5)单机可以完成1000KVA以下的配电变压器全电流下的负载实验的测量;在三分之一额定电流下可完成3150KVA以下的配电变压器的负载试验的测量(在三分之一的额定电流下,仪器可换算到额定电流下的负载损耗参数)。
(6)所有测试结果均自动进行相关校正。仪器可自动进行诸如:波形校正、温度校正、非额定电压校正、非额定电流校正等多种校正,使测试结果准确度更高。
(7)320×240大屏幕、高亮度的液晶显示,全汉字菜单及操作提示实现友好的人机对话,触摸按键使操作更简便,宽温液晶带亮度调节,可适应冬夏各季。
(8)仪器可以由用户预设40组被试品参数,而且这些参数可以根据需要随时删除和增加,使用非常方便。
(10)面板式热敏打印机,可现场快速打印试验结果。
(11)数据(试品设置、测量结果、测试时间等)具备掉电存贮及浏览功能,可以存储500组实验结果,能与计算机联机传送数据。
(12)允许外接电压互感器和电流互感器进行扩展量程测量,可测量任意参数的被试品。
| 规格型号 | ZC-202A | |
| 测试用途 | 变压器的空载电流、空载损耗、短路电压、短路(负载)损耗测量。 | |
| 工作电源 | 输入电压 | 185Vac~250Vac |
| 允许输入电压 | 85Vac~264Vac | |
| 频 率 | 50/60Hz | |
| 允许频率 | 45Hz~65Hz | |
| 输入功率 | 40VA | |
| 接 头 | 标准交流插口60320 | |
| 交流电压 | 范 围 | 10~650V |
| 分 辨 率 | 0.001V | |
| 准 确 度 | 0.2%±0.001V | |
| 交流电流 | 范 围 | 0.5~60A |
| 分 辨 率 | 0.001A | |
| 准 确 度 | 0.2%±0.001A | |
| 频 率 | 范 围 | 45Hz~65Hz |
| 分 辨 率 | 0.001Hz | |
| 准 确 度 | 0.2%±0.001Hz | |
| 功 率 | 范 围 | 0~39kW |
| 分 辨 率 | 0.001kW | |
| 准 确 度 | <±0.5%(CosΦ>0.1),±1.0%(0.02<CosΦ<0.1) | |
| 环境条件 | 运行温度 | -10℃~+50℃ |
| 存储温度 | -25℃~+70℃ | |
| 湿 度 | 相对湿度:5%~95%,不结露 | |
| 物理特性 | 尺 寸 | 360×220×150mm3 |
| 重 量 | ≈5kg(不包括附件) | |