变压器的组别(又称联接组标号)相同是变压器并列运行的必要条件之一。变压器的联接组标号试验用于检查变压器的联接阻标号是否与变压器铭牌相符,是变压器出厂、交接及大修后应做试验之一。
变压器的联结组标号是代表各相绕组得人连接方式和电动势相量关系的符号,也是变压器技术参数中很重要的一个参数。
单相变压器常见的联接组标号有Ii 12、I i6。I i12表示高压绕组和低压绕组是减极性,I i6表示高压绕组和低压绕组是加极性的。
三相双绕组变压器常见的变压器的联结组标号有Y yn12、Y d11、YN d11。其中前面的字母Y、YN表示高压绕组的接线,后面的字母yn、d表示低压绕组接线,其后的数字乘以30°则为低压绕组比高压绕组的电动势相量落后的相位差。
三相三绕组变压器常见的联接组标号有YNyn0 d11。联接组标号中,YN为高压绕组接线,yn为中压绕组接线,d为低压绕组接线,0表示高、中压绕组间的相位差(数字乘以30°则为中压电动势相量落后于高压绕组的电动势相量相位差)。11表示高、低压绕组间的相位差(数字乘以30°则为低压压电动势相量落后于高压绕组的电动势相量相位差)。
联接组标号中的字母Y、y表示绕组为星形联接,D,d表示为三角形连接,YN、yn表示有中性点引出的星形连接。同一变压器联接组标号中,表示高压绕组的用大写字母表示,表示中,低压绕组的用小写字母表示。
变压器高、低压绕组间的相位差,通常采用时钟法来确定(见图1-1)。

以高、低压绕组电动势相量的起点或中性点重合到一点作为适中的轴心,由起点或中性点到A的高压绕组相电动势作为钟表的分针,并且永远指向12点(零点),为基准位置;由起点或中性点到a的低压绕组相电动势作为钟表的时针,它所指的时序位置就是联接标号组的数字标号。
决定变压器联接组的标号的因素有以下三个:(1)绕组首末端的标号(A;X;a;x)(2)绕组的绕向 (3)绕组的联接方式(Y,D;y,d等)。
目前现场常用的试验方法主要有直流法、相位表法、变比电桥法和变比测试仪等方法。
直流法适用于单相变压器和时钟序为12和6的三相变压器,对其他时序的变压器测量结果不够准确。
直流法的测量方法的测量接线图如图1-2所示。

试验时在高压侧接一个1.5-6V的干电池和开关S,先接在A、B相间,A相接电池正极,B相接电池负极;在中压侧或低压侧a、吧,b、c,a、c间接入的直流伏安级电压表或直流级电流表的指示方向,向正记为”+“,向负向偏转记为”-“;然后将电池接于B、C相间和A、C相间,重复上述试验。根据试验记录,对照表1-1即可确定变压器联接组标号。
| 钟时序 |
高压通电 相 别 + - |
低压测得值 | 钟时序 |
高压通电 相 别 + - |
低压测得值 | |||||
| ab | bc | ac | ab | bc | ac | |||||
| 1 |
A B B C A C |
+ 0 + |
- + 0 |
0 + + |
7 |
A B B C A C |
- 0 - |
+ - 0 |
0 - - |
|
| 2 |
A B B C A C |
+ + + |
- + - |
- + + |
8 |
A B B C A C |
- - - |
+ - + |
+ - - |
|
| 3 |
A B B C A C |
0 + + |
- 0 - |
- + 0 |
9 |
A B B C A C |
0 - - |
+ 0 + |
+ - 0 |
|
| 4 |
A B B C A C |
- + + |
- - - |
- + - |
10 |
A B B C A C |
+ - - |
+ + + |
+ - + |
|
| 5 |
A B B C A C |
- + 0 |
0 - - |
- 0 - |
11 |
A B B C A C |
+ 0 - |
0 + + |
+ 0 + |
|
| 6 |
A B B C A C |
- + - |
+ - - |
- - - |
12 |
A B B C A C |
+ - + |
- + + |
+ + + |
|
应当指出,表1-1中仪表指示为零的情况发生在变压器为D,y或Y,d接线且时序为奇数时。
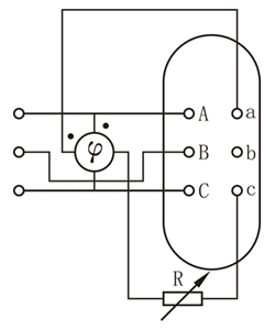
相位表是测量电流、电压相位的仪表。用相位表测量三相变压器的连接组标号的试验接线图如图1-3所示。

试验时,相位表的电压线圈按图所示极性接于被试品的高压,电流线圈通过一个可变电阻接入被试品低压的对应端子上。当被试变压器高压通入三相交流电压时,在其低压感应出一个一定相位的电压。由于介入法人是一个电阻负荷,所以低压侧电流和电压同相位。因此可以认为高压电压对低压电流的相位就等于高压电压对低压电压的相位,根据相位表所测得的相位差即可知高、低压间的时钟序号即联接组标号。
使用相位表法测量时,应注意以下问题:
(1)测试前,应在已知联接组标号的变压器上校验一下相位表的正确性。
(2)要严格按接线图正确接线,特别注意相位表接线的极性要接正确。
(3)对于三相变压器,最好在两对应端子进行测量,即测AB、ab、BC、bc、AC、ac间的相位差。三相变压器采用三相电源供电。
(4)供给被试变压器的电压应是可调的,通过调节电压与可调电阻,使高压侧的电压与低压侧的电压的电流在相位表指示的合适范围内。
用变比电桥法在试验变压器变比的同时u,电桥上有供选定的联接组标号位置。如果被试变压器的联接组标号与变比电桥上所选定的联接组标号相同,测量联接组标号下电桥能平衡,且变比时正确的,则说明选定的变压器联接组标号时正确的。如果电桥不能平衡或变比不正确,说明选定的联接组标号不一定正确,则要通过直流法或相位表法确定其正确与否。
用变比电桥测量三相变压器变比及联接组标号时,对三绕组变压器要分别进行3次高、低压对应的双向量测量,即要进行6次测量(高、中间压;高、低压间;中、低压间)。
用变比电桥测量变压器联接标号的方法及适用范围,可在使用时仔细查阅变比电桥使用说明书。
还有一个测量联接组标号的方法,即比较电压法或称双电压法。
ZC-203B全自动变比测试仪是武汉致卓测控于2009年最新推出第二代专业变比测试设备,可用于电力系统的三相变压器测试,特别适合于Z型绕组变压器、整流变压器和平衡变压器测试。仪器采用了大屏幕液晶显示,全中文菜单及汉字打印输出,人机界面友好,功能完善,操作方便,是电力系统、变压器生产厂家和铁路电气系统进行变压器变比、组别、极性、以及角度测试的理想仪器。
(1)ZC-203B全自动变比测试仪内部集成幅值稳定、相位恒定的三相或单相标准电源。
(2)测试单相或者三相变压器,不但对一般电力变压器适用,而且特别适合于Z型绕组变压器、整流变压器和铁路电气系统的斯科特、逆斯科特、平衡变压器测试。
(3)内部标准电源输出功率大,最大5A输出,特别适合低压变压器测试、以及CT和PT制造过程中半成品的匝数测试。
(4)精确快速测试电流互感器(CT)和电压互感器(PT)的匝比,匝比误差和相位差。
(5)测试精度高,仪器采用16位高精度AD转换器配合CPU采用DSP(数字信号处理)芯片,有效的保证了测量精度及抗干扰能力。
(6)仪器采用无局放调压输出,调压、测量速度快,只需5秒钟即可完成升压与测试。
(7)测量速度快,一组数据的测试时间为几秒钟,仪器自动判断当前分接的额定变比:在多分接变压测试过程中只需设置一次参数,仪器自动判断当前分接,大大提高工作效率。
(8)仪器内部根据被测试试品自动进行量程切换。
(9)内部具有过流保护、检查接线功能。
(10)320×240大屏幕、高亮度的液晶显示,全汉字菜单及操作提示实现友好的人机对话,触摸按键使操作更简便。
(11)自带实时电子钟,自动记录试验的日期、时间利于实验结果的保存、管理。
(12)面板式热敏打印机,可现场快速打印试验结果。
(13)数据具备掉电存贮及浏览功能,可以存储1000组实验结果,能与计算机联机传送数据。
| 规格型号 | ZC-203B | |
| 测试用途 | 变压器变比、组别、极性、以及角度测量。 | |
| 工作电源 | 输入电压 | 185Vac~250Vac |
| 允许输入电压 | 85Vac~264Vac | |
| 频 率 | 50/60Hz | |
| 允许频率 | 45Hz~65Hz | |
| 输入功率 | 40VA | |
| 接 头 | 标准交流插口60320 | |
| 输出范围 | 20V档位 | 电压0~20V;电流0~10A |
| 50V档位 | 电压0~50V;电流0~5A | |
| 测量范围 | 变比测试范围 | 0.5~10000 |
| 组别测试范围 | 1~12 | |
| 角差测试范围 | 0°~360° | |
| 测试精度 | 变比测试精度 |
±0.1%(0.5~1000) ±0.2%(1001~2000) ±0.3%(2001~4000) ±0.5%(4001~10000) |
| 角差测试精度 | 0.5%±0.1° | |
| 环境条件 | 运行温度 | -10℃~+50℃ |
| 存储温度 | -25℃~+70℃ | |
| 湿 度 | 相对湿度:5%~95%,不结露 | |
| 物理特性 | 尺 寸 | 360×220×150mm3 |
| 重 量 | ≈5kg(不包括附件) | |