对变压器的绝缘要求是用各种绝缘试验来验证的;绝缘试验必须在绝缘特性测量、电压比测量、油耐压试验的结果得到确认并满足标准规定后方可进行。如无其他特殊规定,试验应按下述顺序进行:
(1) 线端的操作冲击试验(SI)(见2);
(2) 线端的雷电全波和截波冲击试验(U和LIC)(见2);
(3) 中性点端子的雷电冲击试验(LI)(见2);
(4) 外施耐压试验(见3);
(5) 感应耐压试验(见4、6);
(6) 长时感应电压试脸(ACLD)(见5)。
操作冲击和雷电冲击试验按GB/T 1094.4的规定进行。
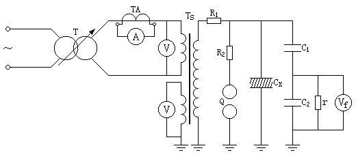
3.1 本试验用来验证线端和中性点端子及它们所连接绕组对地及其他绕组的施加耐受强度,其原理线路如图1-1所示。

3.2 外施耐压时,被试品铁心及外壳必须可靠接地;试品的油面指示必须高于穿缆式套管或套管升离座。试验前应对所有与主体通的套管放气,对低压接线盒、手孔盖板、升高座等所有凸起部分均需放气,直到油溢出为止;应将试品的被试绕组所有端子连接并引至ZC-501A试验变压器高压线端,非被试绕组所有端子连接并可靠接地。
3.3 外施耐压试验的频率应不低于80%额定频率,最好在45Hz~55Hz之间;其电压波形应接近正弦(两个半波完全一样,且峰值与方均根值之比等于√2±0.07,或者诸谐波方均根值不大于基波方均根值的5%)。
3.4 ZC-501A试验变压器在试验电压下,其稳态短路电流应不小于0.1A;对于容量较大的产品,其稳态短路电流应不小于1A。
3.5 试验应从不大于规定试验值的1/3的电压开始,并与测量相配合尽快地增加到试验值,维持其电压恒定,持续60s;试验结束,应将电压迅速降低到试验值的1/3以下;然后切断电源。
3.6 应测量电压的峰值,试验电压值应是测量电压的峰值除以√2。
3.7 试验电压的测量,应采用经过计量部门校准的电容分压器配合峰值电压表测量,也可采用球隙测量。
3.8 使用球隙测量时,应按GB/T 311.6的规定,并应注意以下各项:
(1) 球隙阻尼电阻在频率50Hz时通常可按1Ω/V选用,150Hz~200Hz时可按0.5Ω/V选用。
(2) 球隙必须放电才能测出电压,试验电压低于300kV时,通常在80%试验电压下放电,高于300kV通常在50%~85%试验电压间取3点、4点放电,以求出高压输出电压与原边表读数之间关系,做出校正曲线,求出100%试验电压表的读数。试验时应将球隙调整到120%试验电压的距离,以保护试品。
(3) 球隙放电时,在预放电电压10%以前升压速度不限,以后的升运速度要求均勾,约每秒上升电压预计为放电电压的2%。
(4) 在每次测量中,要取三次放电电压的平均值;每次放电间隔不小于1min,且每次放电电压与平均值差不得大于3%。
(5) 如果空气中灰尘或纤维使放电不正常,正式放电前先进行几次预放电。
(6) 球隙的距离不能超过0.5倍球的直径。
(7) 空气密度kd对放电电压有直接影响;试验时的空气密度往往与标准情況不同,因此对空气密度应进行校正。其方法按GB/T 16927.1的有关规定。
当kd与1相差较大时(即kd﹤0.95或知kd﹥1.05时).应用kδ代替kd,见表1-1。
| kd | 0.70 | 0.75 | 0.80 | 0.85 | 0.9 | 0.95 | 1.00 | 1.05 | 1.10 | 1.15 |
| kδ | 0.72 | 0.77 | 0.82 | 0.86 | 0.91 | 0.95 | 1.00 | 1.05 | 1.09 | 1.13 |
(8) 当放电电压与对应球隙距离按GB/T 311.6无法直接査出时,应用相邻的两个电压与对应距离按式(1)求得:
Sy=S-(S1-S2)/(U1-U2)×(U-Uy) ------------------------------------- (1)
式中:
Sy——试验电压Uy的球隙距离;
S1——电压为U1时的球隙距离(U1大于Uy);
S2——电压为U2时的球隙距离(U2小于Uy);
U——U1与U2中和试验电压Uy最接近的一个电压(U1或U2);
S——与U相对应的球隙距离(S1或S2)。
3.9 为了减少电源的容量或消除发电机的自励磁现象,可在试验回路连接适当的电抗器,以补偿电容电流,消除或减少上述现象。
3.10 试验过程中,如果电压不突然下降、电流指示不摆动、没有放电声,则认为试验合格;如果有轻微放电声,在重复试验中消失,也视为试验含格。如果有较大的放电声,在重复试验中消失,需吊心检査寻找放电部位,采取必要的措施,根据放电部位决定是否复试。
本试验是用来验证油浸式变压器试品每个线端和它们连接的绕组对地及对其他绕组的耐受电压强度以及相间和被试绕组纵绝缘的耐受电压强度;该试验应在外施耐压试验之后进行。
本试验通常在一个绕组的端子上施加尽可能接近正弦波的交流电压,试验频率应适当大于额定频率;除非另有规定,当试验电压频率等于或小于2倍额定频率时,全电压的试验时间应为60s;当试验频率超过两倍额定频率时,试验持续时间t按式(2)计算:
t=120×(fr/f) ---------------------------------------------------- (2)
式中;
t——试验时间,单位为s;
fr——额定频率,单位为Hz;
f——试验频率,单位为Hz。
如果试验频率超过400Hz,持续时间应不小于15s。 试验电压值应是测量电压的峰值除于√2,具体按GB 1094.3或技术条件的规定。
相对地试验以外施附压方式进行;相间试验对三相变压器应施加对称三相电源,在变圧器不带分接绕组的试验电压尽可能接近2倍额定电压,但不应超过GB 1094.3规定的感应耐受电压;试验期间变压器Y联结绕组的中性点端子接地,避免电位悬浮。
ACSD试验中一般不进行局部放电测量;试验应从不大于规定试验电压值的1/3电压开始,并与测量相配合尽快地增加到试验值。试验完应将电压迅速降低到试验电压的1/3以下,然后切断电源。
如果试验电压不出现突然下降,电流指示不摆动,没有放电声,则试验合格。
ACSD试验中应进行局部放电测量;局部放电测量电压U2为:相对地U2=1.3Um/√3、相间U2=1.3Um。
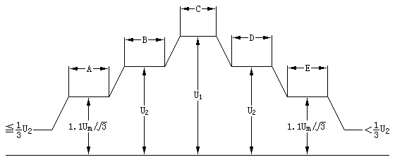
施加电压的顺序见图1-2。

在电压上升至U2和从U2下降的过程中,应记录局部放电的起始电压及熄灭电压,背录嗓声水平应不大于100pC。
如果符合以下情况,则试验合格:
(1) 试验电压不出现突然下降;
(2) 在U2下的第二个5min期间,所有测量端了的“视在电荷量”的连续水平不超过300pC;
(3) 局部放电特性无持续上升趋势;
(4) 在1.1Um/√3下的视在电荷量的连续水平不超过100pC。
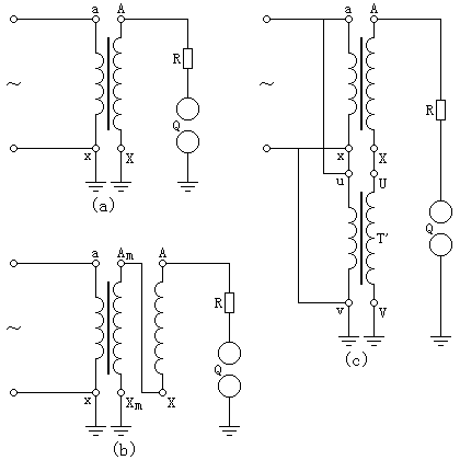
单相变压器只要求相对地试验,一般情况下中性点端子接地,为了达到试验电压可以变换分接位置或提高感应倍数进行试验,结构允许时按图1-3 (6a)进行;特殊情況下可采用中性点支撑法,用励磁绕组或非被试绕组的电压来提高中性点电位,使线端满足要求,见图1-3 (6b);当上述方法无法达到试验目的时,可借助支撑变压器来完成,支撑变压器与试品低压并联,使两台变压器的电压在相位上一致或相反,支撑变压器与试品高压串联,见图1-3 (6c);试验中,应用电容分压器或球隙校对支撑电压极性的正确性。

三相变压器要求进行两种试验,即带有局部放电测量的相对地试验和带有局部?放电测量的中性点接地的相间试验。
局部放电测量电压U2:对于单相试验,为1.5Um/√3(相对地);对于相间试验,Um≦363kV时,为1.3Um(相间),Um=550kV时,为1.2Um(相间)。施加试脸电压的时间顺序见图1-2。
如果符合以下情况,则试验合格:
(1) 试验电压不出现突然下降;
(2) 在U2下的第二个5min期间,所有测量端子的视在电荷暈的连续水平对于相对地试验不超过500pC、对于相间试验不超过300pC (当U2=1.2Um时,可能有一个相当低的视在电荷量的协商值);
(3) 局部放电特性无持续上升趋势;
(4) 在1.1Um/√3下的视在电荷量的连续水平不超过100pC。
分级绝缘变压器相对地单相感应酎压试验的连接见图1-4。

当中性点端子设计成可耐受U/3的电压时,可采用连接法(a)的(1)、(2)、(3);如果变压器具有不套绕组的磁回路(充式或五柱铁心),则只有(a)中(1)可釆用。
如果三相变压器具有不套绕组并作为被试心柱磁通流过的磁回路,则推荐用连接法(b);如果变压器有三角形联结的绕组,则试验期间三角形联结的绕组必须打开。
连接法(c)表示一台辅助增压变压器对被试自耦变压器的中性点端子给予支撑电压U1,两个自耦联结的额定电压为Ur1、Ur2,其相应的试验电压为U、Ux;这种连接也可用于一台套有绕组磁回路且其中性点绝缘小于U/3的三相变压器。
本试验用来验证变压器在运行条件下无局部放电,是在瞬变过电压和连续运行电压下的质量控制试验。三相变压器试验接线有如下两种,在定货时由制造单位与用户协商确定。
D联结饶组的逐相试验意味着每个线端及它所连接的绕组要进行两次试验,试验时应将其一个端子接地或通过电源的中性点接地;Y联结的绕组试验时应将其中性点端子接地:除非另有规定,带分接绕组应置于主分接,其原理线路见图1-5。

当高压绕组为D联结时,采用此加压方法高压将出现悬浮电位,对于这类变压器最好采用单相加电压方式。
施加试验电压的时间顺序见图1-6。

试验中背景噪声水平应不大于100pC;其试验程序如下:
(1) 在U2的第一个阶段中应读取并记录一个读数,对该阶段不规定其视在放电量;
(2) 在施加U1期间不要求给出视在放电量;
(3) 在电压U2的第二个阶段应连续观察局部放电水平,并每隔5min记录一次;
如满足下列要求,则试验合格:
(1) 试验电压不产生突然下降;
(2) 在U2下的长期试验期间,局部放电量的连续水平不大于500pC,局部放电不呈现持续增加的趋势,偶然出现的较高脉冲可以不计;
(3) 在1.1Um/√3下,视在放电量的连续水平不大于100pC。
干式变压器感应耐压试验按GB 6450的规定进行。