测定干式变压器在某一规定电压下的局部放电量,测定干式变压器局部放电的起始电压和熄灭电压,评价产品的设计结构和制造质量。
1、干式变压器局部放电测量试验分接位置通常置于额定分接。
2、局部放电测量通常采用电气法:一般在低压绕组励磁,釆用对称方式加电压并逐相进行测量,非励磁Y接绕组将其中性点接地,非励磁D接绕组将试验相绕组的尾端接地。为防止电晕干扰,出线端子应有防晕措施。
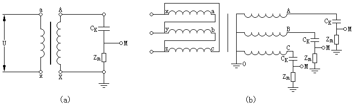
3、变压器局部放电试验多采用并联测量回路,其基本原理接线见图1-1。

试验时将试区周围的试验设备及可能产生悬浮放电的物体可靠接地,并尽量远离被试品。
当试验频率提高后应考虑采用电抗器进行补偿。
4、每次校准前应检查方波发生器电池电量是否充足,与校准方波发生器之间的连线最好选用同轴电缆,以免造成方波的畸变;其引线应尽可能短,回路接地可靠,当更换试品或改变任一参数时,必须重新校准。
5、局部放电试验所施加的电压幅值、持续时间及允许值按如下规定:
(a) 当绕组直接接地或通过小阻抗接地时,应先加1.5Um/√3线对地的予加电压,时间为30s,然后不切断电源再施加1.1Um/√3的线对地电压3min,测量此间的局部放电量。
(b) 当绕组不接地或通过大阻抗(如消弧线圈)接地的系统上吋,应先加1.5Um相对相的电压,其时间为30s,此时有一个线路端子接地;然后不切断电源再施加1.1Um相对相电压3min,测量此间的局部放电量;然后将另一个线路端子接地,重复进行本试验;按Y联结运行的单相变压器不必重复进行。
(c) 局部放电量的允许值应符合相关标准或技术条件的规定。