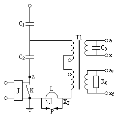
电容式电压互感器由电容分压器、电磁单元(包括中间变压器和电抗器)和接线端子盒组成,其原理接线如图1-1所示。有一种电容式电压互感器是单元式结构,分压器和电磁单元分别为一单元,可在现场组装,另有一种电容式电压互感器为整体式结构,分压器和电磁单元合装在一个瓷套内,无法使电磁单元同电容分压器两端断开。

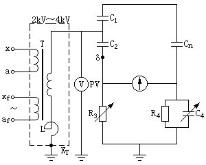
(1) 主电容的C1和tanδ的测量。对于220kV及以上电压等级的CVT,其主电容大多是多节串联的,对于上面C1各节,应用正接线测量。下面重点说明与电磁单元连接的部分的测量。 测量主电容的tanδ和C1,的接线如图1-2所示。由中间变压器励磁加压,加压绕组一般选择额定输出容量最大的二次绕组。XT点接地,分压电容C2的“δ”点接高压电桥的标准电容器高压端,主电容C1高压端接高压电桥的“Cx”端,按正接线法测量。由于“δ”点绝缘水平所限,试验电压不超过2kV。此时C2与Cn串联组成标准支路。一般Cn的tanδ≈0,而C2≥Cn,故不影响测量结果。

(2) 分压电容C2和tanδ的测量。测量分压电容C2和tanδ2的接线图如图1-3所示。由中间变压器励磁加压。XT点接地,分压电容C2的“δ”点接高压电桥的“Cx”端,主电容C1高压端与标准电容Cn高压端相接,按正接线法测量。试验电压应在高压侧测量。此时,C1与Cn串联组成标准支路。
若在测量C2和tanδ2时,电桥电压升到10kV,由于C2电容量较大,作试验电源用的中间变压器T1绕组中的电流值,可能超过其最大热容量。因此只要求试验电压能满足电桥测量灵敏度即可,一般2kV~4kV可达到要求。 试验时加压绕组一般选择中间变压器T1的额定输出容量最大的二次绕组,在测量C2和tanδ2时,C2和T1绕组及补偿电抗器L电感会形成谐振回路,从而出现危险的过电压,因此应在加压绕组间接上阻尼电阻R。
目前,武汉致卓测控生产的ZC-221全自动抗干扰介质损耗测试仪能通过一次试验接线完成主电容的C1和分压电容C2的电容量和介损测量,具体接线参考ZC-221全自动抗干扰介质损耗测试仪使用说明书。

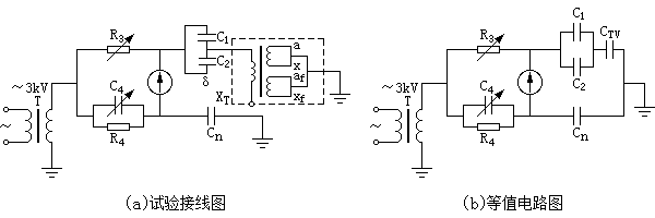
(3) 测量中间变压器的C和tanδ用反接线法。将C2末端δ与C1首端相连,XT悬空,中间变压器各二次绕组均短路接地按反接线测量。由于δ点绝缘水平限制,外加交流电压2kV,其试验接线和等值电路见图1-4。

电容分压器的试验标准见表1-1的规定,中间变压器的试验标准按DL/T 596电磁式电压互感器规定判断。图1-4(b)中(C1﹢C2) ≥CT,因此按图1-4试验接线图测得的tanδ近似认为是tanδT,测得的C近似认为是CT。
| 序号 | 项目 | 耦合电容器 | 断路器电容器 | ||
| 交接 | 运行后 | 交接 | 运行后 | ||
| 1 | 电容值偏差 |
(1) 在额定值的-5%~+10%内; (2) 电容器叠柱中任两单元的电容值之比与这两单元额定电压之比值的倒数之差≯5%。 |
(1) 投运1年内在额定值的-5%~+10%内; (2) 投运1~3年,大于102%时应缩短试验周期; (3) 一相中任两节其值相差≯5%。 |
在额定值的±5内 | 投运1~3年及断路器大修后,其值在额定值的±5%内。 |
| 2 | tanδ | 应符合产品技术条件的规定a。 |
投运1年内及1~3年周期,10kV下的tanδ值不大于下列值: 油纸绝缘:0.005 膜纸复合绝缘:0.002 |
应符合产品技术条件的规定 |
投运1~3年及断路器大修后,10kV下的tanδ值不大于下列值: 油纸绝缘:0.005 膜纸复合绝缘:0.002 |
| a 或按JB/T 8169-1999第6.4条规定:电容器的tanδ应在耐压试验后在(0.9~1.1)UN的电压下用能排除由于谐波和测量电路内的附件所引起的误差的方法进行测量。测量准确度应不低于20%。按5.2.4条规定,在第6.4条测得的tanδ值在20℃下不大于下列值:纸介质电容器:0.0040;膜纸复合介质电容器:0.0015。 | |||||